
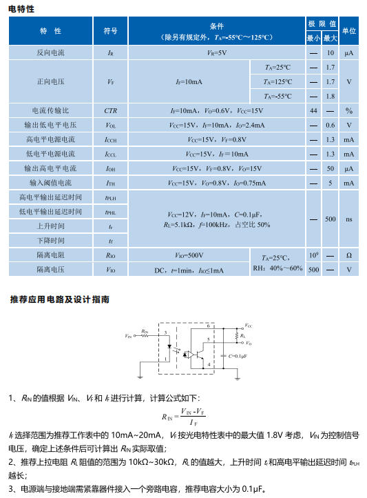
产品描述
HT2311/HT2311T型光电耦合器是采用CLCC封装的单通道OC门输出型光耦,传输速率达到1Mb/s.HT2311执行GJB 8119-2013《半导体光电子器件通用规范》,可供选择的质量等级为G1、G2、G3;HT2311T为工业级,可根据技术条件增加筛选项目.

本产品为FT-Y3系列,仅展示部分参数,如有需要,请联系我们。
北亿纤通 | F-tone Networks
企业邮箱:sales@f-tone.com
企业网站:www.f-tone.com
企业网站:www.sfpgmk.com
企业电话:028-85255257
Important Notice
Performance figures, data and any illustrative material provided in this data sheet are typical and must be specifically confirmed in writing by F-tone Networks before they become applicable to any particular order or contract. In accordance with the F-tone Networks policy of continuous improvement specifications may change without notice.
The publication of information in this data sheet does not imply freedom from patent or other protective rights of F-tone Networks or others. Further details are available from any F-tone Networks sales representative.