
Y50EX系列圆形电连接器
环境性能:

电气性能:

机械性能:
标记、代号及意义:

型号对照表:

Y50EX类圆形电连接器接触件组合代号图标:

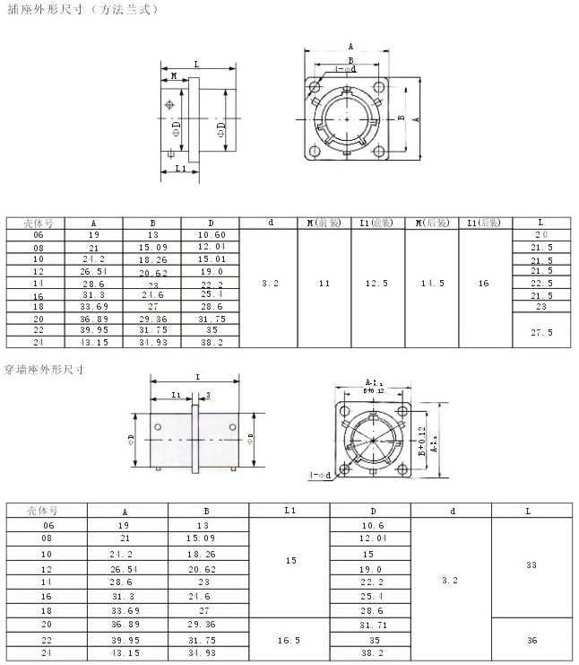
插座外形及安装尺寸:



Important Notice
Performance figures, data and any illustrative material provided in this data sheet are typical and must be specifically confirmed in writing by F-tone Networks before they become applicable to any particular order or contract. In accordance with the F-tone Networks policy of continuous improvement specifications may change without notice.
The publication of information in this data sheet does not imply freedom from patent or other protective rights of F-tone Networks or others. Further details are available from any F-tone Networks sales representative.