
Y11系列圆形密封电连接器
Y11系列圆形密封电连接器具有快递连接,快速分离,体积小,重量轻之特点,采用内卡口式锁紧方式,接触件端接为焊接式,壳体有屏蔽式和非屏蔽式,使用便捷,通用性好,功能多样,规格齐全。
主要技术性能
环境性能:
● 工作温度: ℃~+125℃
● 相对温度: 40℃时达95%
● 工作高度: 海拔30000m
● 振动: 频率10Hz~2000Hz、加速度196m/s²
● 冲击: 加速度490m/s²
● 防盐雾、防淋雨、防沙尘等性能符合GJB101A-97要求
● 气密性: 耐压0.2MPa(灌胶密封性插座)
电气性能:

外壳间电连接性≤200mΩ
屏蔽外壳间电连接性≤5mΩ
电磁干扰800MHz时,最低衰减45dB
额定电压、耐电压及绝缘电阻:

机械性能:
● 壳体: 高强度铝合金材料、铜合金材料
● 非屏蔽镀层: 阳极氧化着色
● 屏蔽镀层: 化学镀镍
● 绝缘体: 耐热热塑性材料
● 封线性和密封圈: 硅橡胶材料
● 接触件: 铜合金材料 镀层 金
● 机械寿命: 500次
机械性能:
● 壳体: 高强度铝合金铸造件
● 镀层: 阳极氧化着色、度镍
● 绝缘体: 耐热热塑性或热固性材料
● 接触件: 铜合金材料 镀层金、银
● 机械寿命: 500次
标记、代号及意义:

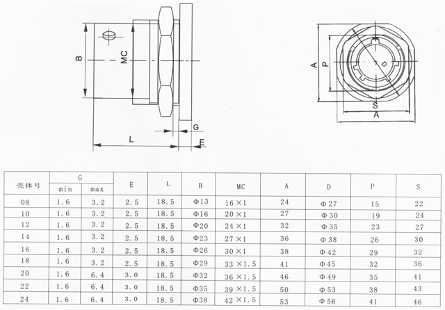
外形及安装尺寸:

方形法兰盘插座:

方形法兰盘穿插式插座:

接触件孔位排列:

Important Notice
Performance figures, data and any illustrative material provided in this data sheet are typical and must be specifically confirmed in writing by F-tone Networks before they become applicable to any particular order or contract. In accordance with the F-tone Networks policy of continuous improvement specifications may change without notice.
The publication of information in this data sheet does not imply freedom from patent or other protective rights of F-tone Networks or others. Further details are available from any F-tone Networks sales representative.