
LY2系列圆形电连接器
本系列产品系根据用户需求开发,采用Y2系列型谱和接触件,壳体用高强度铝合金材料开发加工而成,除具有Y2型连接器性能外,还有壳体机械性能,电性能优于Y2的特点,可跟Y2系列完全兼容。
主要技术性能
环境技术性能:
● 工作温度: 焊接式–55℃~125℃、压接式–55℃~200℃
● 相对湿度: 40℃时达95﹪
● 工作高度: 海拔20000m
● 振动: 频率10Hz~2000Hz,加速度196m/s2
● 冲击: 加速度490m/s2
● 恒加速度: 490m/s2
● 气密性: 耐气压0.2Mpa(仅密封插座)
电气性能:

机械性能:
● 壳体: 高强度铝合金材料
● 镀层: 阳极氧化着色、镀镍
● 绝缘体: 耐热热塑性或热固性材料
● 接触件: 铜合金材料 镀层 金、银
● 机械寿命: 500次

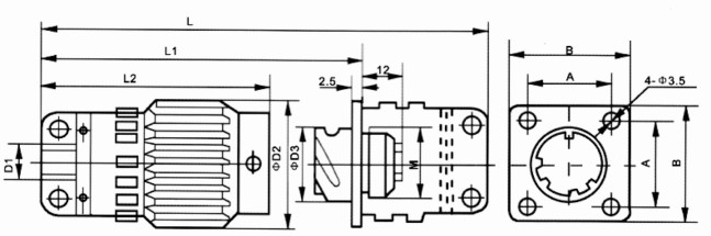
LY2圆形电连接器外形安装尺寸


LY2接触件排列图

Important Notice
Performance figures, data and any illustrative material provided in this data sheet are typical and must be specifically confirmed in writing by F-tone Networks before they become applicable to any particular order or contract. In accordance with the F-tone Networks policy of continuous improvement specifications may change without notice.
The publication of information in this data sheet does not imply freedom from patent or other protective rights of F-tone Networks or others. Further details are available from any F-tone Networks sales representative.