
JF6系列矩形分离电连接器
●适用于战略战术武器系统、航天运载系统级间的电气连接,以及各种电器系统、电子设备等系统之间的电气线路连接,并可作瞬间分离
●连接方式为直插式,分离方式为轴向直拔分离
●产品体积小,重量轻,结构简单,性能可靠,其中JF6-42和 JF6-76插座插合面可耐瞬时高温火焰。
使用环境条件
工作温度: -55℃~100℃(31芯为-40℃~85℃)
相对湿度: 40±2℃时相对湿度90%~95%
工作气压: 101.33kPa~6.7Pa
正弦振动: 10~2000Hz 加速度150m/s2(31芯)
10~2000Hz 加速度200m/s2(76芯)
随机振动: 功率谱密度0.2G2/Hz
总加速度均方根值16.4G(42芯)
功率谱密度0.3G2/Hz
总加速度均方根值20G(76芯)
冲 击 加速度1000m/s2(31芯为500m/s2)
加 速 度 加速度500m/s2(76芯为200m/s2)
主要技术特性:

执行标准
Q/Ag1.076-2001《JF6-31分离电连接器制造与验收规范》
Q/Ag1.076.2-2005《JF6-42分离电连接器详细规范》
Q/Ag1.076.1-97《JF6-76矩形分离电连接器详细规范》

① 矩形分离电连接器
② 设计序号
③ 改进型
④ 芯数: 31、42、76
⑤ 电连接器类别: T-插头,Z-插座
⑥ 接触件类别: J-插针,K-插孔。(31芯本项不标注)
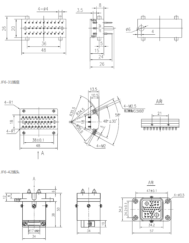
外形及安装尺寸:



操作方法
安装:
a) FT-75-JF6-31安装时,用螺钉将插座安装在弹体上,使插座上与插头对接的表面与弹体外表面平齐(允许稍凹进弹体,但不得凸出)。插头的固定则利用插头上的四个搭柱。插头与插座插合,必须有外力作用,以保证插头与插座在环境外力作用下不会松开。固定插头的部件必须能与插座一起移动一定的距离,以保证分离功能的实现。
b)FT-75-JF6-42/JF6-76安装时,用M3的螺钉将插座或插头分别安装到各自的安装面板上。插合时,先确认插头与插座上的红色标记成一条直线,对齐插头与插座的大、小2个导柱、导套,然后再用力将插头直推入插座,并保证完全插合到位。插合的插头与插座,必须有外力作用,以保证插头与插座在环境外力作用下不会松开。
分离:
a) FT-75-JF6-31分离功能的实现。导弹点火后,随着弹体向前移动,插头与插座也一起向前移动,在向前移动的同时,利用发射筒上设计好的楔形结构,将插头与插座相互挤开,达到最后分离。
b) FT-75-JF6-42/JF6-76,在插头的轴向施加所需的机械力,直接可将插头与插座分开。
3. FT-75-JF6-42/JF6-76焊线时需拆下电缆罩,焊好后,再将电缆罩装回壳体,拧紧螺钉,将导线用夹线板夹紧固定。
型号规格
目前已有规格品种如下:FT-75-JF6-31T、FT-75-JF6-31Z、FT-75-JF6A-31T、FT-75-JF6A-31Z、FT-75-JF6-42TJ、FT-75-JF6-42ZK、FT-75-JF6-76TJ、FT-75-JF6-76ZK。
Important Notice
Performance figures, data and any illustrative material provided in this data sheet are typical and must be specifically confirmed in writing by F-tone Networks before they become applicable to any particular order or contract. In accordance with the F-tone Networks policy of continuous improvement specifications may change without notice.
The publication of information in this data sheet does not imply freedom from patent or other protective rights of F-tone Networks or others. Further details are available from any F-tone Networks sales representative.