
产品简介
北亿纤通研制的1310nm超辐射发光二极管(SLD)是一款针对各种光学测量应用的非相干光源,具有高亮度、宽光谱、短相干性、低强度噪声等优点。该产品非常适合光纤陀螺仪、光纤传感、光纤通信等领域的应用。
应用领域
● 光纤陀螺仪
● 宽光谱
● 低光谱纹波
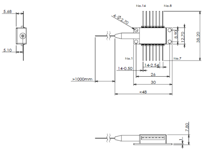
● 6PIN蝶形封装
● 单模/保偏光纤输出
| 参数 | 符号 | 最低值 | 典型值 | 最大值 | 单位 |
| 输出功率 | Po | 500 | μW | ||
| 工作电流 | Ic | 100 | mA | ||
| 中心波长 | λc | 1290 | 1310 | 1330 | nm |
| 光谱半宽 | BW | 40 | nm | ||
| 纹波系数 | Ripple | 0.2 | dB | ||
| 偏振度(低偏) | PER | 1.2 | dB | ||
| 偏振度(高偏) | PER | 10 | dB | ||
| 工作温度 | Io | -45 | 25 | 70 | ℃ |
| 存储温度 | Ts | -55 | 80 | ℃ | |
| 测试条件:驱动电流100mA,温度25℃。 | |||||

Important Notice
Performance figures, data and any illustrative material provided in this data sheet are typical and must be specifically confirmed in writing by F-tone Networks before they become applicable to any particular order or contract. In accordance with the F-tone Networks policy of continuous improvement specifications may change without notice.
The publication of information in this data sheet does not imply freedom from patent or other protective rights of F-tone Networks or others. Further details are available from any F-tone Networks sales representative.