
XCA系列圆形电连接器
产品简介
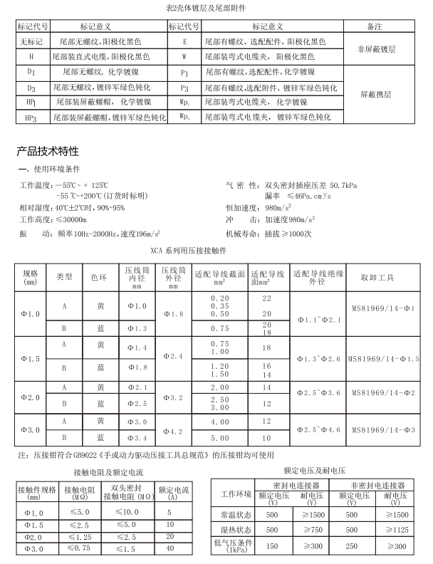
XCA系列电连接器符合CJB2889标准,其连接方式为卡口式快速连接和分离,可与KC系列产品互换,操作方便,连接牢靠,抗振耐冲。壳体材料为高强度铝台金,接触件有焊接式和后松后卸压接式,采用双曲面线簧插孔,具有插拔柔和、接触电阻小、防潮、防潮、防盐雾、防霉菌、防淋雨等特性,适用美标及国内细直径电线,尾部弯式电缆夹有防转、防积水功能。广泛应用于航空、航天、兵器、舰船、野战通信等军事领域以及邮电通讯、铁路、计算机、和各种仪器、仪表的线路连接。







本产品为FT-BH系列圆形电连接器,如有需要,请联系我们。
Important Notice
Performance figures, data and any illustrative material provided in this data sheet are typical and must be specifically confirmed in writing by F-tone Networks before they become applicable to any particular order or contract. In accordance with the F-tone Networks policy of continuous improvement specifications may change without notice.
The publication of information in this data sheet does not imply freedom from patent or other protective rights of F-tone Networks or others. Further details are available from any F-tone Networks sales representative.