
1. 订货型号
|
名称 |
型号 |
|
MT插座线束 |
FT-78-JYSK2M12N06Z-JYSK2M12N06Z-MIV3-L0.36 |
2. 产品描述
该产品为菱形插座光缆,两端均为JYSK2M12N06Z插座,其中一头MT组件不装配至插座内。光缆长度为360mm,传输模式为OM3多模,与JYSK2M12N06Z插座适配的插头型号为JYSK2M12N,该插头内部的MT为公头。
3. 产品性能
3.1光学特性
插入损耗:≤0.6dB
3.2机械特性
机械寿命:500次
3.3工作环境
温度:-55℃~+85℃
振动:频率10~2000Hz,功率谱密度0.2g2/Hz
冲击:加速度2940m/s2,半正弦波,持续时间3ms
烟雾:500h
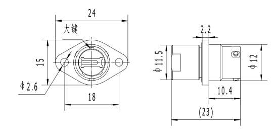
4. 外形尺寸(未注公差按GB/T1804-m)
图1 MT插座外形尺寸图
图2 MT插座推荐面板开孔尺寸(面板前安装)
图3 光缆产品外形尺寸
注:本产品有全国产化型号可选
Important Notice
Performance figures, data and any illustrative material provided in this data sheet are typical and must be specifically confirmed in writing by F-tone Networks before they become applicable to any particular order or contract. In accordance with the F-tone Networks policy of continuous improvement specifications may change without notice.
The publication of information in this data sheet does not imply freedom from patent or other protective rights of F-tone Networks or others. Further details are available from any F-tone Networks sales representative.