
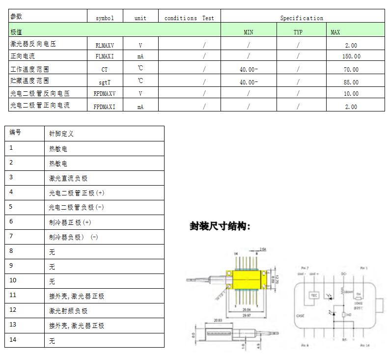
DFB-1490蝶形激光器
分布反馈式特定波长激光器:
● 输出光功率:10.00mw
● 内置光隔离器,冷的14脚蝶形外壳
● 尾纤类型:模尾纤、900um紧套管
● 尾纤长度:00+0.10m
● 连接器类型:户可选
工作温度(多种温度级别可选):
● 商用级:0~+7度
● 扩展级:-10~+80度
● 工业级:-40~+85度
● 军品级:-55~+85度

Important Notice
Performance figures, data and any illustrative material provided in this data sheet are typical and must be specifically confirmed in writing by F-tone Networks before they become applicable to any particular order or contract. In accordance with the F-tone Networks policy of continuous improvement specifications may change without notice.
The publication of information in this data sheet does not imply freedom from patent or other protective rights of F-tone Networks or others. Further details are available from any F-tone Networks sales representative.