
10Gbps MiniSFF CWDM Transceiver
FEATURES
● Surface mount I/O pins for high speed signal integrity
● All metal body, solder or screw mount options
● Industrial Temp range, vibration tolerant design
● Single 3.3V Power Supply
● Up to 10km links
● 2-Fiber MiniSFF LC Transceiver
● 1270~1610nm CWDM Cooled DML transmitter
● PIN photo-detector Receiver
● Operating case temperature:
FTMF-Cxx1X-10 : 0 ℃to 70℃
FTMF-Cxx1X-10I : -40 ℃to 85℃
APPLICATIONS
● CWDM optic fiber transmission system
Outline Specification
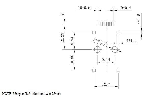
Recommended PCB Layout
Ordering Information
FTMF-Cxx1X-10 XX: 1270~1610nm CWDM Wavelength
|
P/No. |
Temp. (℃) |
Wavelength (nm) |
Dist. (km) |
TX Power (dBm) |
RX Sens (dBm) |
Package |
Bit Rate (Gb/s) |
Volt. (V) |
|
FTMF-C271X-10 |
0 ~70 |
1270 |
10 |
-3 to +2 |
-14.4 |
LC |
10 |
3.3 |
|
FTMF-C291X-10 |
0 ~70 |
1290 |
||||||
|
FTMF-C311X-10 |
0 ~70 |
1310 |
||||||
|
FTMF-C331X-10 |
0 ~70 |
1330 |
||||||
|
FTMF-C351X-10 |
0 ~70 |
1350 |
||||||
|
FTMF-C371X-10 |
0 ~70 |
1370 |
||||||
|
FTMF-C391X-10 |
0 ~70 |
1390 |
||||||
|
FTMF-C411X-10 |
0 ~70 |
1410 |
||||||
|
FTMF-C431X-10 |
0 ~70 |
1430 |
||||||
|
FTMF-C451X-10 |
0 ~70 |
1450 |
||||||
|
FTMF-C471X-10 |
0 ~70 |
1470 |
||||||
|
FTMF-C491X-10 |
0 ~70 |
1490 |
||||||
|
FTMF-C511X-10 |
0 ~70 |
1510 |
||||||
|
FTMF-C531X-10 |
0 ~70 |
1530 |
||||||
|
FTMF-C551X-10 |
0 ~70 |
1550 |
||||||
|
FTMF-C571X-10 |
0 ~70 |
1570 |
||||||
|
FTMF-C591X-10 |
0 ~70 |
1590 |
||||||
|
FTMF-C611X-10 |
0 ~70 |
1610 |
FTMF-Cxx1X-10I XX: 1270~1610nm CWDM Wavelength
|
P/No. |
Temp. (℃) |
Wavelength (nm) |
Dist. (km) |
TX Power (dBm) |
RX Sens (dBm) |
Package |
Bit Rate (Gb/s) |
Volt. (V) |
|
FTMF-C271X-10I |
-40~85 |
1270 |
10 |
-3 to +2 |
-14.4 |
LC |
10 |
3.3 |
|
FTMF-C291X-10I |
-40~85 |
1290 |
||||||
|
FTMF-C311X-10I |
-40~85 |
1310 |
||||||
|
FTMF-C331X-10I |
-40~85 |
1330 |
||||||
|
FTMF-C351X-10I |
-40~85 |
1350 |
||||||
|
FTMF-C371X-10I |
-40~85 |
1370 |
||||||
|
FTMF-C391X-10I |
-40~85 |
1390 |
||||||
|
FTMF-C411X-10I |
-40~85 |
1410 |
||||||
|
FTMF-C431X-10I |
-40~85 |
1430 |
||||||
|
FTMF-C451X-10I |
-40~85 |
1450 |
||||||
|
FTMF-C471X-10I |
-40~85 |
1470 |
||||||
|
FTMF-C491X-10I |
-40~85 |
1490 |
||||||
|
FTMF-C511X-10I |
-40~85 |
1510 |
||||||
|
FTMF-C531X-10I |
-40~85 |
1530 |
||||||
|
FTMF-C551X-10I |
-40~85 |
1550 |
||||||
|
FTMF-C571X-10I |
-40~85 |
1570 |
||||||
|
FTMF-C591X-10I |
-40~85 |
1590 |
||||||
|
FTMF-C611X-10I |
-40~85 |
1610 |
注:本产品有全国产化型号可选
本产品为FTMF系列,仅展示部分参数,如有需要,请联系我们。
Important Notice
Performance figures, data and any illustrative material provided in this data sheet are typical and must be specifically confirmed in writing by F-tone Networks before they become applicable to any particular order or contract. In accordance with the F-tone Networks policy of continuous improvement specifications may change without notice.
The publication of information in this data sheet does not imply freedom from patent or other protective rights of F-tone Networks or others. Further details are available from any F-tone Networks sales representative.