
10Gbps MiniSFF LC Transceiver (300m)
FEATURES
● Surface mount I/O pins for high speed signal integrity
● All metal body, screw mounting
● Industrial Temp range, vibration tolerant design
● 850 nm VCSEL Laser
● 2-Fiber MiniSFF LC Transceiver
● Link Distance at 10.3 Gbd
● 300 m links with OM3 MMF Cables
● 82 m links with OM2 MMF Cables
● 33 m links with OM1 MMF Cables
● Single 3.3V Power Supply
● SFF-8472 Digital Diagnostic Function
● Operating case temperature:
FTMF-851X-02D : 0℃~+70℃
FTMF-851X-02DI : -40℃~+85℃
APPLICATIONS
● 10G Ethernet
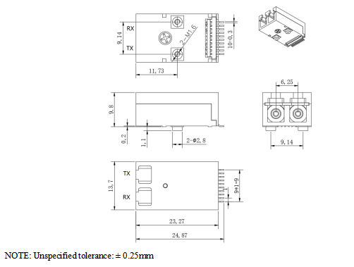
Outline Specification
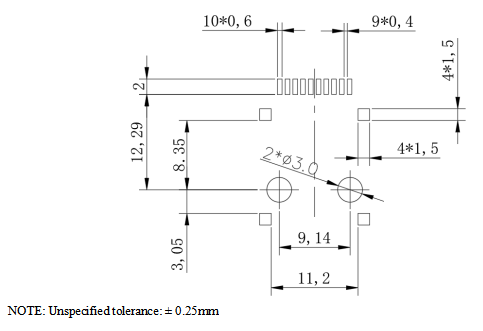
Recommended PCB Layout
Ordering Information
|
P/No. |
Package |
Bit Rate (Gb/s) |
Dist. (m) |
Wavelength (nm) |
TX Power (dBm) |
RX Sens (dBm) |
Volt. (V) |
Temp. (℃) |
|
FTMF-851X-02D |
LC |
10 |
300 |
850 |
-5 to +1 |
-10 |
3.3 |
0~70 |
|
FTMF-851X-02DI |
LC |
10 |
300 |
850 |
-5 to +1 |
-10 |
3.3 |
-40~85 |
注:本产品有全国产化型号可选
本产品为FTMF系列,仅展示部分参数,如有需要,请联系我们。
Important Notice
Performance figures, data and any illustrative material provided in this data sheet are typical and must be specifically confirmed in writing by F-tone Networks before they become applicable to any particular order or contract. In accordance with the F-tone Networks policy of continuous improvement specifications may change without notice.
The publication of information in this data sheet does not imply freedom from patent or other protective rights of F-tone Networks or others. Further details are available from any F-tone Networks sales representative.