
LCC48并行光接收模块
产品描述
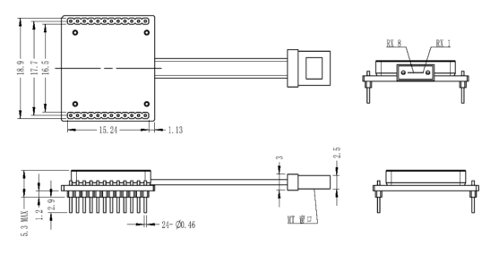
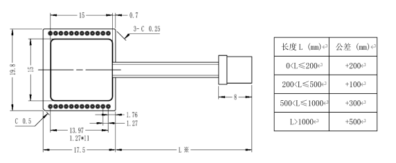
FTPL-8RL2-02I为 8 路并行光接收模块,可用于同步及低速控制类信号的传输,工作速率范围 DC~50Mbps。产品具有电磁辐射小、抗干扰能力强的特点。采用 LCC48 封装工艺,电接口为 2×12 排针,连接可靠,外形尺寸为 19.8×17.5×5.3mm,光口采用尾纤型MT,工作波长为 850nm,采用 OM3 50/125um 多模光纤。输出信号电平为单端 LVTTL;工作温度范围为-40℃~+85℃。
产品特性
● LCC48表面贴装形式,小尺寸封装
● 50Mbps传输速率
● 中心接收波长850nm
● 8路并行接收
● MT尾纤接口
● 结构尺:19.8mm×17.5mm×5.3mm
● 工作温度范围:-40℃~85℃
结构尺寸图


产品订购信息
|
产品型号 |
速率 (M/s) |
光接口类型 |
尾纤长度(cm) |
工作温度 |
|
FTPL-8RL2-02I |
50 |
MT |
X |
-40~+85 |
|
注: |
||||
注:本产品有全国产化型号可选
本产品为FTPL系列,仅展示部分参数,如有需要,请联系我们。
Important Notice
Performance figures, data and any illustrative material provided in this data sheet are typical and must be specifically confirmed in writing by F-tone Networks before they become applicable to any particular order or contract. In accordance with the F-tone Networks policy of continuous improvement specifications may change without notice.
The publication of information in this data sheet does not imply freedom from patent or other protective rights of F-tone Networks or others. Further details are available from any F-tone Networks sales representative.