
JYSK连接器
一、产品型号
1、插头型号:JYSK2M12N-T
该插头为卡扣式光纤连接器,可以装入MT型光纤接触件,螺母及后套开槽1.5mm,便于后装入接触件。
2、插座型号:JYSK2M12N05Z
该插座为卡扣式光纤连接器,可以装入MT型光纤接触件。
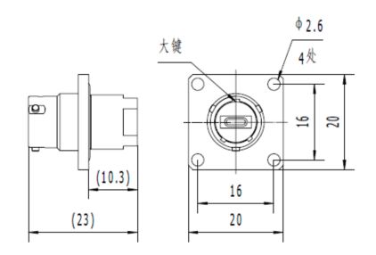
二、产品外形图
2.1 插头外形图

2.2 插座外形图

三、性能指标
|
项目名称 |
指标 |
|
插入损耗 |
≤0.75dB |
|
使用温度 |
-40——+80℃ |
|
机械寿命 |
≥500次 |
|
振动 |
10——2000Hz |
|
冲击 |
490m/平方s |
注:本产品有全国产化型号可选
Important Notice
Performance figures, data and any illustrative material provided in this data sheet are typical and must be specifically confirmed in writing by F-tone Networks before they become applicable to any particular order or contract. In accordance with the F-tone Networks policy of continuous improvement specifications may change without notice.
The publication of information in this data sheet does not imply freedom from patent or other protective rights of F-tone Networks or others. Further details are available from any F-tone Networks sales representative.