
J599 A8 4芯光纤插头
产品特点及应用
执行企业标准:Q/21EJ1305接口尺寸符合 GJB599A
(MIL-DTL-38999)Ⅲ,性能符合 ARINC801标准
适用于航空、电子、舰船等系统,用于多路光通信
外壳体可选用不同材料及镀层适应不同环境要求
五键定位,有盲插和防错插功能
三头螺纹快速连接,并带有防松脱机构
采用陶瓷插针和套管实现接触件精密对接
有多种尾部变化形式可选
有转接插座(可选气密封)形式,摆脱光缆束缚
主要技术性能
插入损耗:≤0.6dB·
工作温度:-55℃~+85℃
振动:10Hz~2000Hz,功率谱密度 0.4G2/Hz
冲击:2940 m/s2,持续时间 3ms,速度变化率 2.96m/s
机械寿命:500次
抗拉力:≥68N(2mm接触件跳线)
气密封性(适用于气密转接插座):气体泄漏≤1*10
-9 Pa.m 3 /S 内外压差为 1大气压
≥1000h(不锈钢材质,铝合金镀镉≥48h(铝合金镀镍)
型号命名





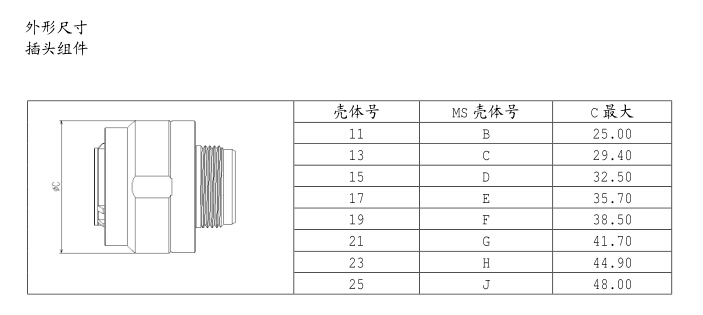
产品外形图



Important Notice
Performance figures, data and any illustrative material provided in this data sheet are typical and must be specifically confirmed in writing by F-tone Networks before they become applicable to any particular order or contract. In accordance with the F-tone Networks policy of continuous improvement specifications may change without notice.
The publication of information in this data sheet does not imply freedom from patent or other protective rights of F-tone Networks or others. Further details are available from any F-tone Networks sales representative.