Description
高速 InGaAs 光电探测器(≥0.80 A/W)
北亿纤通研发生产:高速 InGaAs 光电探测器(≥0.80 A/W) , 是一家专业的高速 InGaAs 光电探测器(≥0.80 A/W) 厂家,具有优质的高速 InGaAs 光电探测器(≥0.80 A/W) 品质,有很好的高速 InGaAs 光电探测器(≥0.80 A/W) 价格,高速 InGaAs 光电探测器(≥0.80 A/W) 海量交付给国防、军工、航空、航天、兵器、舰船、雷达、电子、核工业、军事、电力、铁路、医疗、交通、通信、电信、政府、国防科技工业系统内大专院校及科研院所
FT-49-ACPD1827SMAFA InGaAs 光电探测器集成内偏置电路,采用 DC 耦合、SMA 输出接口、气密封装结构。
产品具有高饱和特性,可在高速光通信、微波光子链路、高速测试测量等系统应用。
■ 主要性能指标(TC=22±3℃)
■ 绝对最大额定值
■ 质量可靠性保证
―产品执行 GJB 8120-2013《半导体光电模块通用规范》相关要求。
■ 典型特性曲线
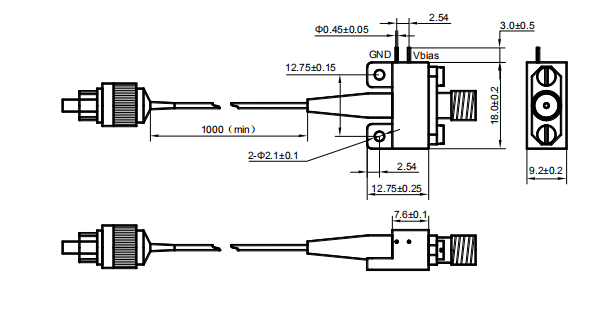
■ 封装外形、尺寸及引脚定义(单位:mm)
Important Notice
Performance figures, data and any illustrative material provided in this data sheet are typical and must be specifically confirmed in writing by F-tone Networks before they become applicable to any particular order or contract. In accordance with the F-tone Networks policy of continuous improvement specifications may change without notice.
The publication of information in this data sheet does not imply freedom from patent or other protective rights of F-tone Networks or others. Further details are available from any F-tone Networks sales representative.