
Double Transmitter SFP+ 10Gb/s 10km with DDMI
FTCS-2T131X-10Dxx transmitter is small form factor pluggable module for double fiber optical data communications. It’s compatible with SFF-8431 Rev4.1 Multi- Sourcing Agreement (MSA). It’s RoHS compliant and lead-free per Directive 2002/95/EC. The digital diagnostics functions are compliant with SFF-8472, which are available via the 2-wire serial bus specified in the SFP+ MSA.
Features:
● 1310nm DFB Laser Transmitter
● Double Transmitter
● SFP+ Multi-source Package Duplex LC Connector
● Up to 10Gb/s Data Links and 10km on 9/125um SMF
● Hot-Pluggable Capability with SFP+ form factor
● Single +3.3V Power Supply
● Compliant with Specifications for IEEE802.3ae
● Compliant with Bellcore TA-NWT-000983
● Eye Safety Designed to Meet Laser Class1
● Compliant with SFF-8431 and SFF-8432
● Operating Case Temperature:
Standard : 0 to +70°C
Industrial : -40 to +85°C
Applications:
● 10G Base- LR/LW
● Other optical links
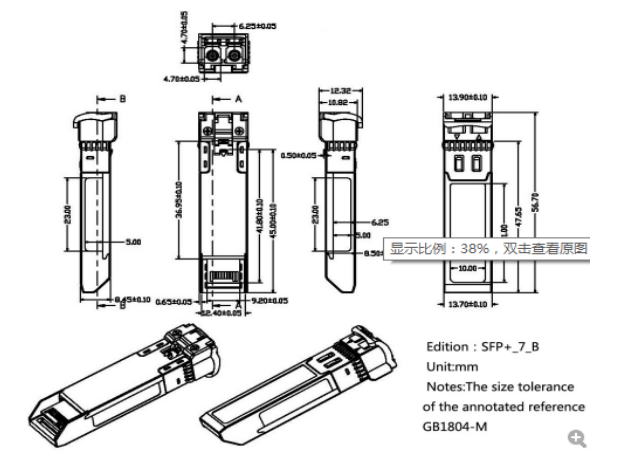
Mechanical Specifications

Order Information
|
Part No. |
Bit Rate (Gbps) |
Laser(nm) |
Distance [note2] |
Fiber Type |
DDMI |
Connector |
Temp [note1] |
|
FTCS-2T131X-10D |
10.3125 |
1310 |
10km |
SMF |
YES |
LC |
0℃~+70℃ |
|
FTCS-2T131X-10DI |
10.3125 |
1310 |
10km |
SMF |
YES |
LC |
-40℃~+85℃ |
注:本产品有全国产化型号可选
本产品为SFP+系列光模块,如有需要,请联系我们。
Important Notice
Performance figures, data and any illustrative material provided in this data sheet are typical and must be specifically confirmed in writing by F-tone Networks before they become applicable to any particular order or contract. In accordance with the F-tone Networks policy of continuous improvement specifications may change without notice.
The publication of information in this data sheet does not imply freedom from patent or other protective rights of F-tone Networks or others. Further details are available from any F-tone Networks sales representative.