
多模双纤双向超短型光收发一体模块 (2.5G/4.25G)
特性
● 更紧凑的结构设计——模块高度仅12mm
● 适应于高速信号完整性的表贴I/O引脚
● 全金属外壳
● 军品级温度范围,采用抗振动设计
● 仅使用+3.3 V单电源
● 光口形式为LC接口
应用
● 各种数字光通信系统。
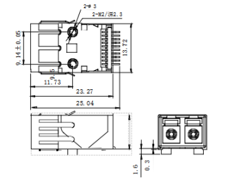
外形尺寸(单位mm)

订购信息
|
FTRS |
-85 |
XX |
-02 |
X |
|
双纤双向超短型LC接头 |
850nm |
2.5Gbps 3.2Gbps 4.25Gbps |
≥0.2km |
空 商业级 I 工业级 M 军品级 |
本产品为FTRS系列,仅展示部分参数,如有需要,请联系我们。
Important Notice
Performance figures, data and any illustrative material provided in this data sheet are typical and must be specifically confirmed in writing by F-tone Networks before they become applicable to any particular order or contract. In accordance with the F-tone Networks policy of continuous improvement specifications may change without notice.
The publication of information in this data sheet does not imply freedom from patent or other protective rights of F-tone Networks or others. Further details are available from any F-tone Networks sales representative.