
兼容安华高HCPL-7720
产品描述
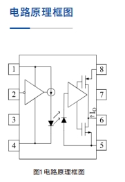
FCPL-7720 型光电耦合器是由一个红外发光二极管、一个CMOS LED驱动芯片和一个光敏芯片组成的单通道光电耦合器,有陶瓷/塑封可选,有商业级/工业级/军品级可选。
产品特点
● 传输速度:最大值25MBd
● CMOS输出型
● 兼容国外产品:HCPL-7720
产品应用
● 数字总线隔离
● 高速逻辑电路的系统隔离
● 开关电源
● 电脑外围接口
● 微机系统接口
● 多路复用信号与隔离
● 数模和模数(A/D、D/A)转换
● 替代脉冲变压器




注:本产品为全国产
Important Notice
Performance figures, data and any illustrative material provided in this data sheet are typical and must be specifically confirmed in writing by F-tone Networks before they become applicable to any particular order or contract. In accordance with the F-tone Networks policy of continuous improvement specifications may change without notice.
The publication of information in this data sheet does not imply freedom from patent or other protective rights of F-tone Networks or others. Further details are available from any F-tone Networks sales representative.