
24路并行光接收模块
描述
24路并行光接收模块为甚短距离的高速数据处理和传输提供高可靠的多路数据链接,解决了数据传输的瓶颈问题。为系统提供了低成本、高密度的数据传输方案。模块由24路独立的光通道组成,每通道可提供10Gbps的传输数据率,在多模光纤中,传输距离可达到100米以上。
模块适应各种严酷的工作条件,工作温度范围宽、耐潮湿、抗振动、抗电磁干扰,可广泛应用于车载、机载、舰载、高海拔等环境。产品有商业级、工业级和军品级多个质量等级可供选择。模块提供了与I2C协议相兼容的两线串行数据端口,提供模块内的各种监控和状态信号。
特性描述
● 24路独立并行光纤通道
● 单通道速率达10Gbps
● 多模扁带光纤
● 3.3V单电源供电
● 独立的通道失效监控
● 推荐工作温度:-40℃~70℃
● 军品级工作温度:-40℃~85℃
应用
● 甚短距离的高速数据通信连接:
● 板级互连
● 机架间互连
● 系统级互连
● 服务器与存储器阵列的互连
● 24通道高速串行数据流
● 并行光互联
● 雷达与处理机互联
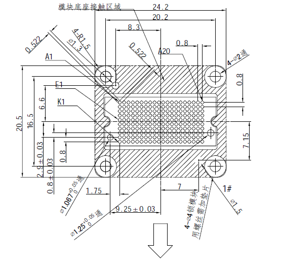
模块尺寸图(单位mm)
MT接口的模块结构、外形尺寸见下图。

模块尾纤接口为标准MT光连接器,光接口定义见下图。

PCB封装尺寸(单位mm)

订购信息
|
Part Number |
Product Description |
|
FTMP-24R35-02 |
FTMP 24路并行接收光模块-850nm-3.5Gbps每通道-商业级 |
|
FTMP-24R50-02 |
FTMP 24路并行接收光模块-850nm-5Gbps每通道-商业级 |
|
FTMP-24R62-02 |
FTMP 24路并行接收光模块-850nm-6.25Gbps每通道-商业级 |
|
FTMP-24R1X-02 |
FTMP 24路并行接收光模块-850nm-10Gbps每通道-商业级 |
|
|
|
|
FTMP-24R35-02I |
FTMP 24路并行接收光模块-850nm-3.5Gbps每通道-工业级 |
|
FTMP-24R50-02I |
FTMP 24路并行接收光模块-850nm-5Gbps每通道-工业级 |
|
FTMP-24R62-02I |
FTMP 24路并行接收光模块-850nm-6.25Gbps每通道-工业级 |
|
FTMP-24R1X-02I |
FTMP 24路并行接收光模块-850nm-10Gbps每通道-工业级 |
|
|
|
|
FTMP-24R35-02M |
FTMP 24路并行接收光模块-850nm-3.5Gbps每通道-军品级 |
|
FTMP-24R50-02M |
FTMP 24路并行接收光模块-850nm-5Gbps每通道-军品级 |
|
FTMP-24R62-02M |
FTMP 24路并行接收光模块-850nm-6.25Gbps每通道-军品级 |
|
FTMP-24R1X-02M |
FTMP 24路并行接收光模块-850nm-10Gbps每通道-军品级 |
注:80Gbps为单通道速率3.5Gbps,120Gbps为单通道速率5Gbps,150Gbps为单通道速率6.25Gbps,240Gbps为单通道速率10Gbps。
注:下单时注明接头和尾纤长度
注:本产品有全国产化型号可选
本产品为FTMP系列,仅展示部分参数,如有需要,请联系我们。
Important Notice
Performance figures, data and any illustrative material provided in this data sheet are typical and must be specifically confirmed in writing by F-tone Networks before they become applicable to any particular order or contract. In accordance with the F-tone Networks policy of continuous improvement specifications may change without notice.
The publication of information in this data sheet does not imply freedom from patent or other protective rights of F-tone Networks or others. Further details are available from any F-tone Networks sales representative.