产品描述
●纯国产零部件
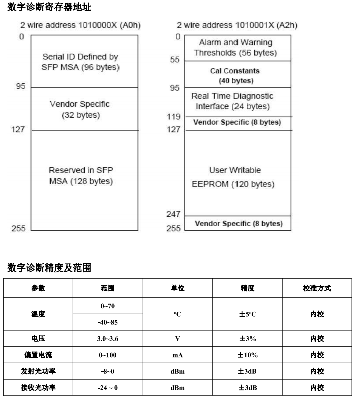
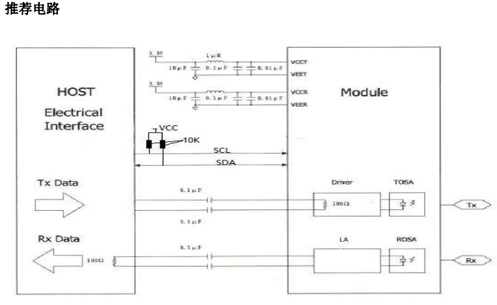
●遵循sff-8472的数字诊断功能
●提供高速的I/O表面贴装管脚
●全金属外壳设计
●传输距离可达2km(62.5/125um多模光纤)
●工业级温度使用范围,耐振动设计
●850nm VCSEL激光器,PIN光电探测接收器
●单电源供电(3.3V)
●工作温度:
FT-95-RS-8503-02-GC 0℃~+70℃
FT-95-RS-8503-02I-GC -40℃~+85℃
产品应用
●光纤通信链路








Important Notice
Performance figures, data and any illustrative material provided in this data sheet are typical and must be specifically confirmed in writing by F-tone Networks before they become applicable to any particular order or contract. In accordance with the F-tone Networks policy of continuous improvement specifications may change without notice.
The publication of information in this data sheet does not imply freedom from patent or other protective rights of F-tone Networks or others. Further details are available from any F-tone Networks sales representative.