
10G CWDM DFB TOSA
Features
● multi-quantum well(MQW) DFB laser
● Integrated monitor PD
● Low threshold current
● High reliability
● LC receptacle
● Operating case temperature:
Standard : 0 to +70°C
Industrial : -40 to +85°C
Absolute Maximum Ratings
Optical Characteristics


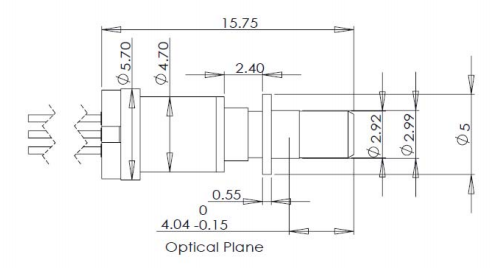
TOSA Dimension and Pin Assignment


Ordering information

注:本产品有全国产化型号可选
Important Notice
Performance figures, data and any illustrative material provided in this data sheet are typical and must be specifically confirmed in writing by F-tone Networks before they become applicable to any particular order or contract. In accordance with the F-tone Networks policy of continuous improvement specifications may change without notice.
The publication of information in this data sheet does not imply freedom from patent or other protective rights of F-tone Networks or others. Further details are available from any F-tone Networks sales representative.