
YF6型圆形防雨分离电连接器
●可作瞬间电磁分离和机械分离
●连接方式为旋插及直插
●分离方式为电磁和机械解锁,强制分离
●插座密封,并设有防火焰机构,能承受短时间高温火焰
●产品体积小,重量轻,防雨,防尘
适用范围:
YF6型圆形防雨分离电连接器适用于战略战术武器系统、航天运载系统的级间电气线路连接和系统与地面设备的电路连接,以及其它工业设备的电气连接。
使用环境条件:
工作温度: -40℃~125℃
相对湿度: 40℃±2℃时相对湿度90%~95%
工作气压: 101.3kPa~6.67Pa
正弦振动: 频率10Hz~2000Hz 加速度100m/s2
随机振动: 0.1G2/Hz
冲击: 加速度735m/s2
加速度686m/s2(78芯)
加速度加速度250m/s2
加速度227m/s2(78芯)
防雨降雨量5mm/min
主要技术特性:

机械分离力:29.4N~88.3N
电磁分离 DC 28V±3V
密 封 性 0.3Mpa
0.22MPa(78芯)
机械寿命 300次
500次(78芯)
执行标准
YF6-46:Q/Ag1.063.2-2007《YF6-46圆形防雨分离电连接器详细规范》
YF6-57:ZZR-Q/Ag1.063B-2000《YF6型圆形防雨分离电连接器详细规范》
YF6-78:Q/Ag1.063.1-2003《YF6-78圆形防雨分离电连接器详细规范》
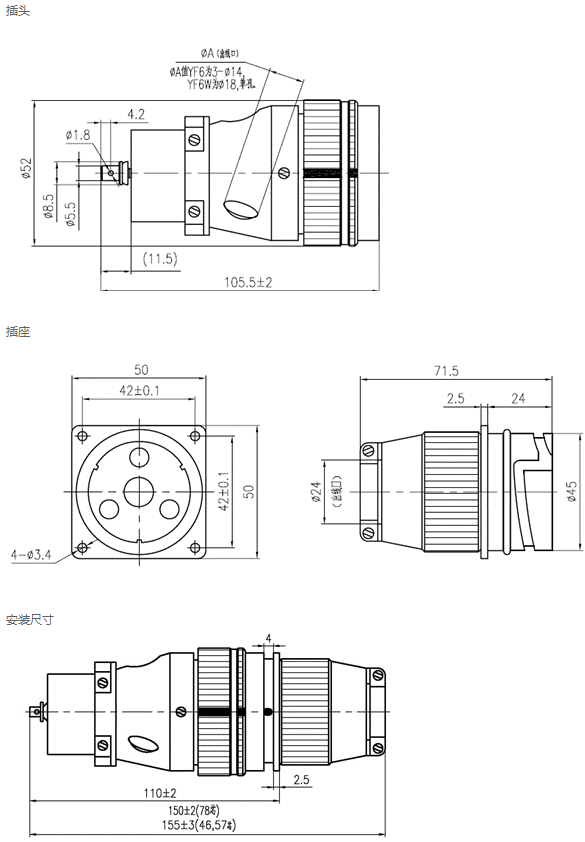
外形及安装尺寸:


操作方法:
1. 插头与插座的插合有旋插和直插两种。旋插前,先旋转插头上的连接卡帽,使其外圆上三条白色标记线中任意一条与插头电缆罩的白色标记对齐,再对准插座上的白色标记将插头插入插座,然后顺时针转动连接卡帽,直至连接卡帽上相邻的另一条白色标记线与插头、插座上的白色标记线重新成一条直线为止。直插主要用于安装空间狭小、不便于旋插操作的场合,插合时,先使插头上已对齐的两白色标记与插座的白色标记成一条直线,,将插头插入插座,然后再用力将插头直推入插座,约推进10mm,插头、插座即锁合在一起并完全插合到位。
2. 插头与插座的解锁分离有机械分离和电磁分离两种。机械分离是在插头拉杆端加29.4N~88.3N的力,即可解锁。电磁分离是在插座电磁铁线圈两引出线端加28V±3V的直流电压(或4A~5A的直流电流),即可解锁。无论采用何种解锁方式,解锁后插头、插座自动弹开,实现分离。
型号规格
目前已有规格品种如下: FT-75-YF6-46TJ、FT-75-YF6-46ZK、FT-75-YF6-57TJ、FT-75-YF6-57ZK、FT-75-YF6W-57TJ、FT-75-YF6W-57ZK、FT-75-YF6-78TJ、FT-75-YF6-78ZK。
Important Notice
Performance figures, data and any illustrative material provided in this data sheet are typical and must be specifically confirmed in writing by F-tone Networks before they become applicable to any particular order or contract. In accordance with the F-tone Networks policy of continuous improvement specifications may change without notice.
The publication of information in this data sheet does not imply freedom from patent or other protective rights of F-tone Networks or others. Further details are available from any F-tone Networks sales representative.