
Y17系列圆形电连接器
北亿纤通专业研发生产(全国产化可选):Y17系列圆形电连接器, 是一家专业的Y17系列圆形电连接器厂家,具有优质的Y17系列圆形电连接器品质,该产品广泛应用于各种电气设备之间的线路迹接,其迹接方式采用卡口连接,使用方便、锁紧可靠,适用于大电流电源系列的连接。
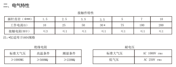
产品技术特性
使用环境条件工作温度:-55℃~+125℃
-55C~+175℃(仅适用于Y17-1604规格)
相对湿度:40°C±2℃时,90%-95%
工作气压:4.4kPa-101.33kPa
振动:10Hz~2000Hz,加速度98m/s²
碰撞:加速度392m/s²
冲击:加速度490m/s²
机械寿命:插拔≥500次




本产品为FT-BH系列圆形电连接器,如有需要,请联系我们。
Important Notice
Performance figures, data and any illustrative material provided in this data sheet are typical and must be specifically confirmed in writing by F-tone Networks before they become applicable to any particular order or contract. In accordance with the F-tone Networks policy of continuous improvement specifications may change without notice.
The publication of information in this data sheet does not imply freedom from patent or other protective rights of F-tone Networks or others. Further details are available from any F-tone Networks sales representative.