
Ultra low speed LVTTL 1310nm Single Mode Transceiver (20Km)
FEATURES
● Single +3.3V Power Supply
● LVTTL Input/Output Signal
● Industry Standard 1×9 Pin
● 1310nm FP Transmitter
● Duplex SC/FC/ST Connector
● DC~4Mbps Data Rate
● Operating Temperature
FTTR-13LE-20 : 0℃~+70℃
FTTR-13LE-20I :-40℃~+85℃
APPLICATIONS
● Low Rate Bus transmission
● Unbalanced Signal transparent transmission
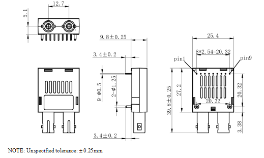
Mechanical Dimensions


Ordering Information
|
P/No. |
Package |
Bit Rate (Mb/s) |
Dist. (km) |
Wavelength (nm) |
Volt. (V) |
TX Power (dBm) |
RX Sens (dBm) |
Temp. (℃) |
|
FTTR-13LE-20 |
SC/FC/ST |
DC~4 |
20 |
1310 |
3.3 |
-12 to -5 |
-25 |
0 ~70 |
|
FTTR-13LE-20I |
SC/FC/ST |
DC~4 |
20 |
1310 |
3.3 |
-12 to -5 |
-25 |
-40 ~85 |
NOTE: Interface options:SC/FC/ST.
注:本产品有全国产化型号可选
本产品为光模块1x9系列,仅展示部分参数,如有需要,请联系我们。
Important Notice
Performance figures, data and any illustrative material provided in this data sheet are typical and must be specifically confirmed in writing by F-tone Networks before they become applicable to any particular order or contract. In accordance with the F-tone Networks policy of continuous improvement specifications may change without notice.
The publication of information in this data sheet does not imply freedom from patent or other protective rights of F-tone Networks or others. Further details are available from any F-tone Networks sales representative.