
北亿纤通专业研发生产:TOSA-LC 10Gbps 850nm, 是一家专业的TOSA-LC 10Gbps 850nm厂家,具有优质的TOSA-LC 10Gbps 850nm品质,有很好的TOSA-LC 10Gbps 850nm价格,TOSA-LC 10Gbps 850nm海量交付给国防、军工、航空、航天、兵器、舰船、雷达、电子、核工业、军事、电力、铁路、医疗、交通、通信、电信、政府、国防科技工业系统内大专院校及科研院所
Features:
● Data rates up to 10 Gbps
● 850nm multimode emission
● -10℃ to +85℃ operation
● High reliability
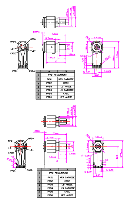
● Integrated monitor photodiode (MPD).
● Differentially driven
● LC plastic barrel
Applications:
● High speed Data Communication
● 10Gigabit Ethernet




Important Notice
Performance figures, data and any illustrative material provided in this data sheet are typical and must be specifically confirmed in writing by F-tone Networks before they become applicable to any particular order or contract. In accordance with the F-tone Networks policy of continuous improvement specifications may change without notice.
The publication of information in this data sheet does not imply freedom from patent or other protective rights of F-tone Networks or others. Further details are available from any F-tone Networks sales representative.