其它产品

SC/APC 单工无耳 单联单模 光纤适配器 光纤法兰盘

SC/APC 单工无耳 单联单模 光纤适配器 光纤法兰盘

0.0/5 rating (0 votes)

Description

产品简述

  这是一种由日本NTT公司开发的光纤连接器。其外壳呈矩形,所采用的插针与耦合套筒的结构尺寸与FC型完全相同。其中插针的端面多采用PC或APC型研磨方式;紧固方式是采用插拔销闩式,不需旋转。此类连接器价格低廉,插拔操作方便,介入损耗波动小,抗压强度较高,安装密度高。

ST和SC接口是光纤连接器的两种类型,对于10BASE-F连接来说,连接器通常是ST类型的,对于10BASE-FX来说,连接器大部分情况下为SC类型的。ST连接器的芯外露,SCl连接器的芯在接头里面

产品特点

  • 插入损耗低,每通过一个适配的连接损耗小于0.2db

  • 互换性好

  • 重复性好

应用范围

  •  光纤通信系统

  •  有限电视网络

  • 局域网、光域网

  • 光纤到户(FTTP)

  • 视频传输

  • 测试仪器

  • 性能指标:

测试项目

单位

LC, SC, FC, MU, ST, SC-ST, FC-ST, FC-SC,

MTRJ

E2000

SM

MM

SM

MM

SM

PC

UPC

APC

PC

PC

UPC

PC

PC

APC

插损

dB

≤0.3

≤0.2

≤0.3

≤0.2

≤0.3

≤0.2

≤0.2

≤0.3

≤0.3

回损

dB

≥45

≥50

≥60

≥30

≥45

≥50

≥35

≥55

≥75

互换性

dB

≤0.2

≤0.2

≤0.2

重复性

dB

≤0.2

≤0.2

≤0.2

插拔次数

Time

>1000

>1000

>1000

工作温度范围

-40~75

-40~75

-40~75

储存温度范围

-45~85

-45~85

-45~85


塑料适配器的外壳颜色克根据客户要求订制(单款起订量不小于1000只)

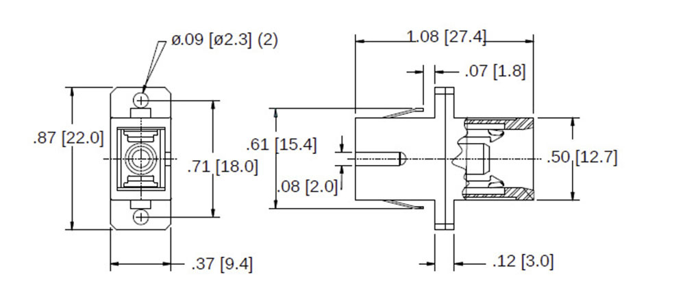
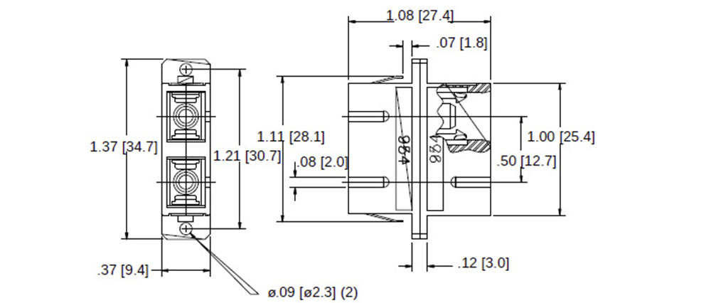
产品尺寸

单工9双工9

 

 

 

 

 

 

Important Notice

Performance figures, data and any illustrative material provided in this data sheet are typical and must be specifically confirmed in writing by F-tone Networks before they become applicable to any particular order or contract. In accordance with the F-tone Networks policy of continuous improvement specifications may change without notice.

The publication of information in this data sheet does not imply freedom from patent or other protective rights of F-tone Networks or others. Further details are available from any F-tone Networks sales representative.

全国产化光模块 CFP2光模块 JYSK光纤连接器 思科光模块 Marconi光模块 Test Equipment & Others 光纤法兰适配器
SFP全国产光模块 CFP4光模块 J599III电连接器 思科FE SFP 博达光模块 保偏光器件 光纤跳线&尾纤
1x9全国产光模块 CFP8 400Gbps S6矩形连接器 思科SFP+光模块 网件光模块 In-line Depolarizer FTTA拉远基站光纤跳线
特种光模块 CDFP 400Gbps S7矩形连接器 思科XFP光模块 Nortel光模块 In-line Polarizer MPO/MTP高密度系列
25G~400G高速光模块 MicroQSFP光模块 GYM光纤连接器 思科CFP光模块 Moxa光模块 IPBC/S 军用野战防水光纤跳线
200km超长距光模块 DSFP光模块 J599III光纤连接器 思科QSFP-DD 光模块 海康威视HIKVISION光模块 PBC/S 特种光纤光缆
5G移动通信光模块 FT-61光模块 水密光缆连接器 思科QSFP+光模块 McAfee光模块 PM BPF 特种线缆组件
SFP光模块 OLT光模块 光纤连接器转接器 思科GE SFP SMC智邦光模块 PM Circulator 通用光缆光纤跳线
1.25G SFP ONU光模块 FT-A4系列连接器 思科SFP OC3 安华高Avago光模块 PM Collimator MXC® 多芯光缆组件
CWDM SFP PLCC光模块 USB光纤延长线 思科SFP OC12 安华高Avago 1x9光模块 PM Coupler PRIZM® LIGHTTURN®组件
DWDM SFP RJ光模块 HDMI 思科SFP OC48 安华高Avago SFF光模块 PM CWDM 光纤机箱
BIDI-SFP SFF光模块 特种电连接器 思科GBIC光模块 安华高Avago SFP光模块 PM DWDM SMA-特殊纤芯系列
SGMII SFP SNAP12光模块 圆形连接器 思科X2光模块 安华高Avago QSFP28 光模块 PM Faraday mirror 特殊接头系列
Video SFP光模块 USOT光模块 矩形电连接器 思科XENPAK光模块 安华高Avago QSFP+光模块 PM Fiber mirror 铠装系列
Copper SFP X2光模块 特种光纤光缆 华三光模块 安华高Avago SNAP12光模块 PM Filter Coupler 光耦合器Coupler
低功耗SFP Xenpak光模块 特种光纤 华三SFP 安华高Avago 其他光模块 PM Fused Coupler 皮纤跳线系列
SFP+光模块 光电编码器模块 光纤器件 华三SFP+ 安华高 Embedded光模块 PM FWDM 大芯数系列
CWDM SFP+ 光模块测试板 特种光缆及光缆组件 华三SFP28 光模块 安华高Fiber Optics光模块 PM Isolator 回路跳线系列
DWDM SFP+ 光模块笼子座子 光藕 华三QSFP+光模块 Industrial Transmitters and Receivers PM Isolator WDM 保偏光纤系列
BIDI SFP+ DAC 高速线缆 标准光耦 华三QSFP28 光模块 Optical Transceivers PM PLC 光通信组件
Tunable SFP+ 光纤滑环|光电滑环 SMA测试线缆 华三 CFP光模块 飞通光模块 PM Tap Isolator 光隔离器isolator
16GFC SFP+ 光缆车 OSA 华三 CXP光模块 Finisar光模块 PM Tap Isolator WDM 其它光器件
25GE SFP+ 军品级DIN光模块 PON BOSA 华三 CX4高速电缆 菲尼萨Finisar SFF光模块 PM VOA 可调滤波器
32GFC SFP+ 塑料光纤模块 Pigtailed PD 华三XFP yellobrik SDI光模块 其它保偏器件 可调衰减器
SFP28光模块 替换安华高工业电力光模块 RFoG BOSA 华三GE SFP 罗克韦尔AB光模块 光分路器 拉锥耦合器
SFP56光模块 兼容国产化替换安华高光耦 TO-CAN 华三FE SFP 罗杰康光模块 FBT拉锥分路器 无源光器件
SFP-DD光模块 射频光模块 光纤温度传感器 华三SFP STM-4 研华Advantech光模块 PLC 光分路器 法拉第旋转镜
QSFP光模块 微型多路光模块 光纤应变传感器 华三SFP STM-16 全国产化光器件 PLC平面波导光分路器 波分复用器
QSFP+ 光模块 特种光模块 光纤加速度传感器 华三GBIC光模块 FT-XS系列 国产化半导体光放大器 光开关 AWG DWDM波分复用器
QSFP28光模块 HPC并行光模块 光线压力传感器 华三BIDI光模块 光纤阵列系列 探测器 Fused WDM波分复用器
QSFP56光模块 LC-RJ超小型单路光模块 光纤位移传感器 华三XENPAK光模块 高速模块微连接 光功率计 FWDM波分复用器
QSFP112 400G光模块 LCC48光模块 光纤应力传感器 华三EPON OLT SFP 相干通讯光连接 全光纤相位拉伸器 Mini微型粗波分复用器
QSFP224光模块 LC超短型光模块 光纤传感分析仪 中航光电光模块 硅光子器件光链接 光纤准直器 光分插复用器
QSFP-DD光模块 SNAP12光模块 光纤分布式测温主机 中兴光模块 Bio-Medical Equipment 光衰减器系列 其它种类波分复用器产品系列
QSFP-DD800光模块 微型光模块 光纤布里渊信号解调仪 锐捷光模块 Components for Fiber Laser 光偏振控制器 密集波分复用器
OSFP 400Gbps 微型可插拔BGA光模块 分布式光纤声振信号解调仪 惠普光模块 Components for Fiber sensing 光源 粗波分复用器
OSFP 800G光模块 表贴式单路光模块 Camera Link 神州数码光模块 Components for Optical Network 光环行器Circulator WDM模块
OSFP 1.6T光模块 特种光纤连接器 光模块知识 Juniper光模块 EDFA光纤放大器 光纤延迟线 滤波器
HSFP 1.6T~12.8T光模块 J599光纤插头插座 华为光模块 Extreme光模块 光纤传感器 色散补偿模块 蝶形激光器
XFP光模块 ODC光纤连接器系列 华为GE SFP Brocade光模块 High power Component 光纤放大器 光耦合器&分路器
CWDM XFP 其他特种光纤连接器 华为QSFP+光模块 D-Link光模块 HP In-line Polarizer 无源传输转换器 光纤环形器&法拉第旋转镜
DWDM XFP 野战光纤连接器 华为SFP+ 赫思曼光模块 HP Isolator 光纤激光器 光纤隔离器&波分复用器
BIDI XFP 特种光电连接器 华为QSFP28 阿尔卡特朗讯光模块 HP PBC/S 光调制器 光纤分束器&合束器(PBS/PBC)
1x9光模块 J599III高低频混装连接器 华为FE SFP Allied Telesis光模块 Pump Combiner 光电探测器 光纤光栅
CSFP光模块 NGC光纤连接器 华为XFP Foundry光模块 HP Circulator 光纤偏振 高速线缆
CSFP+10G光模块 J599A6光纤连接器 华为SFP OC12 Force10光模块 Pump laser protector 光纤滤波器
CXP光模块 GYMB光纤连接器 华为GBIC光模块 Blade光模块 Hybrid for EDFA 同轴激光器
CFP光模块 J599III光电连接器 华为SFP STM16 Linksys光模块 Test Equipment & Others 同轴电缆

028-85255257 | sales@f-tone.com

标准协议光模块产品

兼容协议光模块

其它种类光器件

技术支持