RP7光缆组件
一、型号
①RP7F21Q
型号说明:矩形插座,装12芯MT插芯。
②RP7F11T
型号说明:矩形插头,适配3.5mm光缆,装24芯MT。
二、产品外形及尺寸
1、RP7F21Q
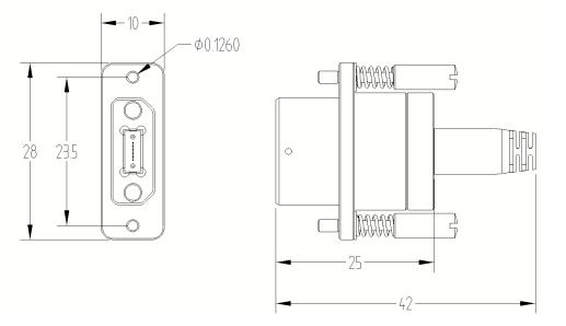
(1)外形图
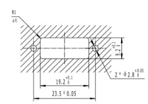
(2)安装尺寸:板后安装
2、RP7F11T
(1)插头外形图
三、产品性能
|
项目 |
参数 |
|
光学性能 |
单模IL≤1dB,多模IL≤0.8dB |
|
振动 |
频率10~2000Hz,功率谱密度0.06g2/Hz |
|
冲击 |
峰值加速度490m/s2 |
|
机械耐久性 |
≥500次 |
|
盐雾 |
96h |
|
工作温度 |
-40℃~+85℃ |
注:本产品有全国产化型号可选
Important Notice
Performance figures, data and any illustrative material provided in this data sheet are typical and must be specifically confirmed in writing by F-tone Networks before they become applicable to any particular order or contract. In accordance with the F-tone Networks policy of continuous improvement specifications may change without notice.
The publication of information in this data sheet does not imply freedom from patent or other protective rights of F-tone Networks or others. Further details are available from any F-tone Networks sales representative.