
功能概述
● 4路发送、4路接收并行光纤通道
● 850nm VCSEL/PD阵列技术
● 高速数据差分信号I/O口兼容CML/LVDS/PECL电平
● 3.3V单电源供电
● 50um多模扁带光纤
● 独立的通道失效监控
● 两线模式的串行数据接口
● 宽工作温度:-40℃~+85℃,可选低温-55℃
● 紧凑的结构设计, 高密度高容
适用范围
● 主要用于甚短距离的高速数据通信连接、服务器与存储器阵列的互连、4通道高速串行数据流以及雷达信号处理。
主要性能指标
| 传输速率(Gbps) | 4*3.125 | 4*6.25 | 4*10.3125 |
| 输出光功率(dBm) | ≥-5 | ≥-5 | ≥-5 |
| 消光比(dB) | ≥5 | ≥4 | ≥3 |
| 接收灵敏度(dBm) | ≤-14 | ≤-12 | ≤-10 |
| 中心波长(nm) | 850 | ||
| 电源电压(V) | DC+3.3 | ||
| 光接口类型 | MT/MPO | ||
| 电接口类型 | LCC焊盘 | ||
| 工作温度(℃) | -40~+85 | ||
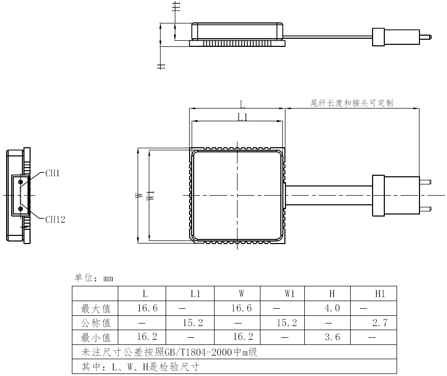
结构尺寸图
注:单位为毫米,未做标示的公差为±0.1mm,尾纤类型和长度可以定制。
Important Notice
Performance figures, data and any illustrative material provided in this data sheet are typical and must be specifically confirmed in writing by F-tone Networks before they become applicable to any particular order or contract. In accordance with the F-tone Networks policy of continuous improvement specifications may change without notice.
The publication of information in this data sheet does not imply freedom from patent or other protective rights of F-tone Networks or others. Further details are available from any F-tone Networks sales representative.