J599MT光缆组件
一、产品外形及尺寸:插头型号为J599MT/26KG4M24N和MPO
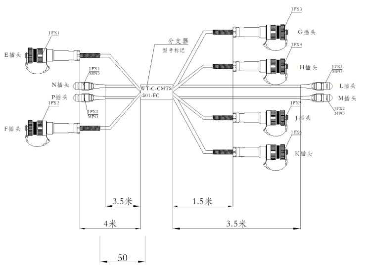
(1)外形图
(2)接点排列
(3)光路对应关系
|
J599插头(光模块端) |
对端插头 |
线长 |
J599插头(光模块端) |
对端插头 |
线长 |
|
JXF1(MT插头) |
JXF1(MT插头) |
||||
|
E12 |
L1 |
7.5米 |
E28 |
J2 |
5.5米 |
|
E11 |
L2 |
7.5米 |
E27 |
J14 |
5.5米 |
|
E10 |
L3 |
7.5米 |
E26 |
J26 |
5.5米 |
|
E9 |
L4 |
7.5米 |
E25 |
J38 |
5.5米 |
|
E8 |
G1 |
5.5米 |
E48 |
M12 |
7.5米 |
|
E7 |
G13 |
5.5米 |
E47 |
M11 |
7.5米 |
|
E6 |
G25 |
5.5米 |
E46 |
M10 |
7.5米 |
|
E5 |
G37 |
5.5米 |
E45 |
M9 |
7.5米 |
|
E4 |
G2 |
5.5米 |
E44 |
H3 |
5.5米 |
|
E3 |
G14 |
5.5米 |
E43 |
H15 |
5.5米 |
|
E2 |
G26 |
5.5米 |
E42 |
H27 |
5.5米 |
|
E1 |
G38 |
5.5米 |
E41 |
H39 |
5.5米 |
|
E24 |
L12 |
7.5米 |
E40 |
K2 |
5.5米 |
|
E23 |
L11 |
7.5米 |
E39 |
K14 |
5.5米 |
|
E22 |
L10 |
7.5米 |
E38 |
K26 |
5.5米 |
|
E21 |
L9 |
7.5米 |
E37 |
K38 |
5.5米 |
|
E20 |
H1 |
5.5米 |
E49 |
J1 |
5.5米 |
|
E19 |
H13 |
5.5米 |
E50 |
J13 |
5.5米 |
|
E18 |
H25 |
5.5米 |
E51 |
J25 |
5.5米 |
|
E17 |
H37 |
5.5米 |
E52 |
J37 |
5.5米 |
|
E16 |
H2 |
5.5米 |
E60 |
K1 |
5.5米 |
|
E15 |
H14 |
5.5米 |
E59 |
K13 |
5.5米 |
|
E14 |
H26 |
5.5米 |
E58 |
K25 |
5.5米 |
|
E13 |
H38 |
5.5米 |
E57 |
K37 |
5.5米 |
|
E36 |
M1 |
7.5米 |
E61 |
J3 |
5.5米 |
|
E35 |
M2 |
7.5米 |
E62 |
J15 |
5.5米 |
|
E34 |
M3 |
7.5米 |
E63 |
J27 |
5.5米 |
|
E33 |
M4 |
7.5米 |
E64 |
J39 |
5.5米 |
|
E32 |
G3 |
5.5米 |
E72 |
K3 |
5.5米 |
|
E31 |
G15 |
5.5米 |
E71 |
K15 |
5.5米 |
|
E30 |
G27 |
5.5米 |
E70 |
K27 |
5.5米 |
|
E29 |
G39 |
5.5米 |
E69 |
K39 |
5.5米 |
|
J599插头(光模块端) |
对端插头 |
线长 |
J599插头(光模块端) |
对端插头 |
线长 |
J599插头(光模块端) |
对端插头 |
线长 |
|
JXF2(MT插头) |
JXF2(MT插头) |
JXF2(MT插头) |
||||||
|
F12 |
G4 |
5.5米 |
F28 |
J6 |
5.5米 |
F68 |
K7 |
5.5米 |
|
F11 |
G16 |
5.5米 |
F27 |
J18 |
5.5米 |
F67 |
K19 |
5.5米 |
|
F10 |
G28 |
5.5米 |
F26 |
J30 |
5.5米 |
F66 |
K31 |
5.5米 |
|
F9 |
G40 |
5.5米 |
F25 |
J42 |
5.5米 |
F65 |
K43 |
5.5米 |
|
F8 |
J4 |
5.5米 |
F48 |
K5 |
5.5米 |
F64 |
H8 |
5.5米 |
|
F7 |
J16 |
5.5米 |
F47 |
K17 |
5.5米 |
F63 |
H20 |
5.5米 |
|
F6 |
J28 |
5.5米 |
F46 |
K29 |
5.5米 |
F62 |
H32 |
5.5米 |
|
F5 |
J40 |
5.5米 |
F45 |
K41 |
5.5米 |
F61 |
H44 |
5.5米 |
|
F4 |
G5 |
5.5米 |
F44 |
H6 |
5.5米 |
F84 |
J8 |
5.5米 |
|
F3 |
G17 |
5.5米 |
F43 |
H18 |
5.5米 |
F83 |
J20 |
5.5米 |
|
F2 |
G29 |
5.5米 |
F42 |
H30 |
5.5米 |
F82 |
J32 |
5.5米 |
|
F1 |
G41 |
5.5米 |
F41 |
H42 |
5.5米 |
F81 |
J44 |
5.5米 |
|
F24 |
H4 |
5.5米 |
F40 |
K6 |
5.5米 |
F80 |
G9 |
5.5米 |
|
F23 |
H16 |
5.5米 |
F39 |
K18 |
5.5米 |
F79 |
G21 |
5.5米 |
|
F22 |
H28 |
5.5米 |
F38 |
K30 |
5.5米 |
F78 |
G33 |
5.5米 |
|
F21 |
H40 |
5.5米 |
F37 |
K42 |
5.5米 |
F77 |
G45 |
5.5米 |
|
F20 |
K4 |
5.5米 |
F60 |
G7 |
5.5米 |
F76 |
J9 |
5.5米 |
|
F19 |
K16 |
5.5米 |
F59 |
G19 |
5.5米 |
F75 |
J21 |
5.5米 |
|
F18 |
K28 |
5.5米 |
F58 |
G31 |
5.5米 |
F74 |
J33 |
5.5米 |
|
F17 |
K40 |
5.5米 |
F57 |
G43 |
5.5米 |
F73 |
J45 |
5.5米 |
|
F16 |
H5 |
5.5米 |
F56 |
J7 |
5.5米 |
F96 |
K8 |
5.5米 |
|
F15 |
H17 |
5.5米 |
F55 |
J19 |
5.5米 |
F95 |
K20 |
5.5米 |
|
F14 |
H29 |
5.5米 |
F54 |
J31 |
5.5米 |
F94 |
K32 |
5.5米 |
|
F13 |
H41 |
5.5米 |
F53 |
J43 |
5.5米 |
F93 |
K44 |
5.5米 |
|
F36 |
J5 |
5.5米 |
F52 |
G8 |
5.5米 |
F92 |
H9 |
5.5米 |
|
F35 |
J17 |
5.5米 |
F51 |
G20 |
5.5米 |
F91 |
H21 |
5.5米 |
|
F34 |
J29 |
5.5米 |
F50 |
G32 |
5.5米 |
F90 |
H33 |
5.5米 |
|
F33 |
J41 |
5.5米 |
F49 |
G44 |
5.5米 |
F89 |
H45 |
5.5米 |
|
F32 |
G6 |
5.5米 |
F72 |
H7 |
5.5米 |
F88 |
K9 |
5.5米 |
|
F31 |
G18 |
5.5米 |
F71 |
H19 |
5.5米 |
F87 |
K21 |
5.5米 |
|
F30 |
G30 |
5.5米 |
F70 |
H31 |
5.5米 |
F86 |
K33 |
5.5米 |
|
F29 |
G42 |
5.5米 |
F69 |
H43 |
5.5米 |
F85 |
K45 |
5.5米 |
|
J599插头 |
对端插头 |
线长 |
|
G12 |
N1 |
5米 |
|
G24 |
N2 |
5米 |
|
G36 |
N3 |
5米 |
|
G48 |
N4 |
5米 |
|
H12 |
N12 |
5米 |
|
H24 |
N11 |
5米 |
|
H36 |
N10 |
5米 |
|
H48 |
N9 |
5米 |
|
J12 |
P1 |
5米 |
|
J24 |
P2 |
5米 |
|
J36 |
P3 |
5米 |
|
J48 |
P4 |
5米 |
|
K12 |
P12 |
5米 |
|
K24 |
P11 |
5米 |
|
K36 |
P10 |
5米 |
|
K48 |
P9 |
5米 |
二、产品性能
|
项目 |
参数 |
|
光纤模式 |
OM3多模 |
|
组件损耗 |
J599MT≤0.75dB,MPO≤0.75dB |
|
插拔次数 |
≥500次 |
|
振动 |
频率:10Hz~2000Hz,加速度 147m/s2 |
|
冲击 |
峰值加速度:980m/s2,脉冲持续 时间:6ms 的半正弦波 |
|
工作温度 |
-40℃~+85℃ |
注:本产品有全国产化型号可选
Important Notice
Performance figures, data and any illustrative material provided in this data sheet are typical and must be specifically confirmed in writing by F-tone Networks before they become applicable to any particular order or contract. In accordance with the F-tone Networks policy of continuous improvement specifications may change without notice.
The publication of information in this data sheet does not imply freedom from patent or other protective rights of F-tone Networks or others. Further details are available from any F-tone Networks sales representative.