
兼容安华高HEDS-9140#I00
概述
FEDS-91 系列是高性能,低成本,光学三通道增量编码器模块。内部集成了精密光栅相位矩阵接受芯片和光源,配合码盘,模块就能传感出转动的位置信息和速度信息。FEDS-91系列按光学中心11mm,标准的CPR有:100,200,256,360,400,500,512,600,1000,1024,2000,2048,2500.
特点
● 采用光电矩阵排列技术
● 工作温度-40 ⁰C-- +105 ⁰C
● 多种CPR选择
● C型结构,方便使用
● 输出TTL兼容
● 5V供电
应用
典型应用包刮打印机,绘图仪,伺服电机,工厂自动化等。
注意: 1. 建议不用于跟生命安全相关的应用,如刹车系统
最大使用环境


推荐使用环境

电气参数

电气参数是在推荐使用环境下25 ⁰C测得的。
波形图

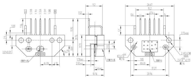
模块机械位置尺寸
图 3 机械尺寸图
引脚定义

注意: 1, Z 通道输出有两个选择,一个为 1/4T 输出,另外一个零位原始信号---ZUG 输出,ZUG 输出大约在 1T 左右, ZUG 和 A,B 没有规定的的位置关系,但每个器件位置确定。
2, 零位输出有型号最后一位来选择 1/4T 或 ZUG, 末位为 1 表示 Z 输出是 ZUG,末位为 4 表示 Z 输出是 1/4T
模块选型指南
| 系列 | F-tone 产品 | 兼容AVAGO (安华高)型号 | 描述 |
| 91/90系列模块 | FEDS-9140#C00 | HEDS-9140#C00 | 三通道,A,B,Z, 100CPR,光学半径11mm |
| FEDS-9140#E00 | HEDS-9140#E00 | 三通道,A,B,Z, 200CPR,光学半径11mm | |
| FEDS-9140#F00 | HEDS-9140#F00 | 三通道,A,B,Z, 256CPR,光学半径11mm | |
| FEDS-9140#G00 | HEDS-9140#G00 | 三通道,A,B,Z, 360CPR,光学半径11mm | |
| FEDS-9140#H00 | HEDS-9140#H00 | 三通道,A,B,Z, 400CPR,光学半径11mm | |
| FEDS-9140#A00 | HEDS-9140#A00 | 三通道,A,B,Z, 500CPR,光学半径11mm | |
| FEDS-9140#I00 | HEDS-9140#I00 | 三通道,A,B,Z,512CPR,光学半径11mm | |
| FEDS-9140#B00 | HEDS-9140#B00 | 三通道,A,B,Z, 1000CPR,光学半径11mm | |
| FEDS-9140#J08 | HEDS-9140#J08 | 三通道,A,B,Z, 1024CPR,光学半径11mm | |
| FEDS-9140#T00 | HEDS-9140#T00 | 三通道,A,B,Z, 2000CPR,光学半径23.36mm | |
| FEDS-9100#C00 | HEDS-9100#C00 | 二通道A,B 100CPR, 光学半径11mm | |
| FEDS-9100#E00 | HEDS-9100#E00 | 二通道,A,B 200CPR, 光学半径11mm | |
| FEDS-9100#F00 | HEDS-9100#F00 | 二通道,A,B 256CPR, 光学半径11mm | |
| FEDS-9100#G00 | HEDS-9100#G00 | 二通道A,B 360CPR, 光学半径11mm | |
| FEDS-9100#H00 | HEDS-9100#H00 | 二通道A,B 400CPR, 光学半径11mm | |
| FEDS-9100#A00 | HEDS-9100#A00 | 二通道A,B 500CPR, 光学半径11mm | |
| FEDS-9100#B00 | HEDS-9100#B00 | 二通道A,B 1000CPR, 光学半径11mm | |
| 92 | FEDS-9200#300 | HEDS-9200#300 | 二通道A,B 300LPI, 直线性 |
| 97系列模块 | FEDS-970X#C50 | HEDS-970X#C50 | 二通道A,B 100CPR, 光学半径11mm,带安装孔 |
| FEDS-970X#C54 | HEDS-970X#C54 | 二通道A,B 100CPR, 光学半径11mm,无安装孔 | |
| FEDS-970X#E50 | HEDS-970X#E50 | 二通道A,B 200CPR, 光学半径11mm,带安装孔 | |
| FEDS-970X#E54 | HEDS-970X#E54 | 二通道A,B 200CPR, 光学半径11mm,无安装孔 | |
| FEDS-970X#F50 | HEDS-970X#F50 | 二通道A,B 256CPR, 光学半径11mm,带安装孔 | |
| FEDS-970X#F54 | HEDS-970X#F54 | 二通道A,B 256CPR, 光学半径11mm,无安装孔 | |
| FEDS-970X#G50 | HEDS-970X#G50 | 二通道A,B 360CPR, 光学半径11mm,带安装孔 | |
| FEDS-970X#G54 | HEDS-970X#G54 | 二通道A,B 360CPR, 光学半径11mm,无安装孔 | |
| FEDS-970X#H50 | HEDS-970X#H50 | 二通道A,B 400CPR, 光学半径11mm,带安装孔 | |
| FEDS-970X#H54 | HEDS-970X#H54 | 二通道A,B 400CPR, 光学半径11mm,无安装孔 | |
| FEDS-970X#A50 | HEDS-970X#A50 | 二通道A,B 500CPR, 光学半径11mm,带安装孔 | |
| FEDS-970X#A54 | HEDS-970X#A54 | 二通道A,B 500CPR, 光学半径11mm,无安装孔 | |
| FEDS-970X#B50 | HEDS-970X#B50 | 二通道A,B 1000CPR, 光学半径11mm,带安装孔 | |
| FEDS-970X#B54 | HEDS-970X#B54 | 二通道A,B 1000CPR, 光学半径11mm,无安装孔 | |
| FEDS-972X#P50 | HEDS-972X#P50 | 二通道A,B 150LPI, 直线型,带安装孔 | |
| FEDS-972X#P54 | HEDS-972X#P54 | 二通道A,B 150LPI, 直线型,无安装孔 | |
| FEDS-973X#Q50 | HEDS-973X#Q50 | 二通道A,B 180LPI, 直线型,带安装孔 | |
| FEDS-973X#Q54 | HEDS-973X#Q54 | 二通道A,B 180LPI, 直线型,无安装孔 | |
| FEDS-973X#250 | HEDS-973X#250 | 二通道A,B 300LPI, 直线型,带安装孔 | |
| FEDS-973X#254 | HEDS-973X#254 | 二通道A,B 300LPI, 直线型,无安装孔 | |
| FEDS-973X#150 | HEDS-973X#150 | 二通道A,B 360LPI, 直线型,带安装孔 | |
| FEDS-973X#154 | HEDS-973X#154 | 二通道A,B 360LPI, 直线型,无安装孔 | |
其他还有大量可替换avago finisar ....等等品牌的产品,请联系北亿纤通的市场人员
Important Notice
Performance figures, data and any illustrative material provided in this data sheet are typical and must be specifically confirmed in writing by F-tone Networks before they become applicable to any particular order or contract. In accordance with the F-tone Networks policy of continuous improvement specifications may change without notice.
The publication of information in this data sheet does not imply freedom from patent or other protective rights of F-tone Networks or others. Further details are available from any F-tone Networks sales representative.