
FT-49-ACPD4021292FA 型高速 InGaAs 光电探测器
产品描述
FT-49-ACPD4021292FA 型高速InGaAs 光电探测器使用单片集成 PD 芯片, 采用 FC/APC 光纤输入、 1.85mm 射频接口输出、气密封装结构。产品可在仪器设备中进行超快脉冲测量应用。
主要性能指标(TC=22±3℃)
|
参数名称 |
测试条件 |
参数指标 |
单位 |
|
响应度Re |
VR=5V,λ=1.55μm, Pin=1mW |
≥0.50 |
A/W |
|
3dB带宽f3dB |
VR=5V,λ=1.55μm, Pin=1mW, RFin=-10dB |
DC~67 |
GHz |
|
带内平坦度F |
VR=5V,λ=1.55μm, Pin=1mW, RFin=-10dB, fBW=0.05~67 GHz |
≤±1.5 |
dB |
|
射频反射损耗S22max |
VR=5V,λ=1.55μm, Pin=1mW, RFin=-10dB, fBW=0.05~50 GHz |
≤-8 |
dB |
|
饱和输入光功率PS |
VR=5V,λ=1.55μm, fc=35 GHz, RFin=-10dB |
≥10 |
dBm |
|
暗电流ID |
VR=5V |
≤10 |
nA |
绝对最大额定值
|
参数名称 |
额定值 |
单位 |
|
贮存温度范围TSTG |
-55~+85 |
℃ |
|
工作温度范围TC |
-55~+70 |
℃ |
|
偏置电压VR |
≤7 |
V |
|
光入射功率Pin(VR=5V) |
≤20 |
mW |
|
焊接温度Tsolder |
260(10s) |
℃ |
|
静电放电敏感度ESD |
≥250 |
V |
推荐工作状态
|
参数名称 |
额定值 |
单位 |
|
偏置电压VR |
3~5 |
V |
|
光入射功率Pin |
1~5 |
mW |
质量可靠性保证
产品执行 Q/UH 20718-2020《FT-49-ACPD4021292FA 型 InGaAs 光电探测器模块详细规范》要求。
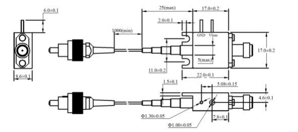
封装外形、尺寸及引脚定义(单位: mm)

注:本产品有全国产化型号可选
本产品为FT-49系列,仅展示部分参数,如有需要,请联系我们。
Important Notice
Performance figures, data and any illustrative material provided in this data sheet are typical and must be specifically confirmed in writing by F-tone Networks before they become applicable to any particular order or contract. In accordance with the F-tone Networks policy of continuous improvement specifications may change without notice.
The publication of information in this data sheet does not imply freedom from patent or other protective rights of F-tone Networks or others. Further details are available from any F-tone Networks sales representative.