
GM系列水密连接器
1、型号:
(1)GM/26E01N-FC-S2-L1
型号说明:左端为单芯水密光纤连接器 GM/26E01N 插头,右端为 FC 插头,使用 2mm单模单芯水密光缆,光缆长度 1 米。
(2)GM/20E01N-FC-S0.9-L1
型号说明:左端为单芯水密光纤连接器 GM/20E01N 插座,右端为 FC 插头,使用 0.9mm单模单芯光缆,光缆长度 1 米GM系列水密连接器 系列水密连接器。
2、外形及尺寸
(1)GM/26E01N-FC-S2-L1
①组件外形图
②插头外形图

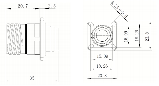
(2)GM/20E01N-FC-S0.9-L1
①组件外形尺寸
②插座外形图
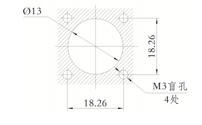
(3)安装尺寸
3、产品性能
注:本产品有全国产化型号可选
Important Notice
Performance figures, data and any illustrative material provided in this data sheet are typical and must be specifically confirmed in writing by F-tone Networks before they become applicable to any particular order or contract. In accordance with the F-tone Networks policy of continuous improvement specifications may change without notice.
The publication of information in this data sheet does not imply freedom from patent or other protective rights of F-tone Networks or others. Further details are available from any F-tone Networks sales representative.