
高灵敏度 1310nm 蝶形 SOA
北亿纤通的半导体光放大器(SOA)系列产品,主要应用于主要应用于数据中心互联等光通信领域。该系列产品采用密封的无机封装技术,保证了产品的可靠性。
产品特性:
● 低噪声、高灵敏度,可满足 PON 上行业务放大需求
● 低功耗、高线性度,可满足数据中心互联等高速业务放大需求
● 全国产化产品,交付及时
● 定制化服务:可支持保偏、集成隔离器、集成 PD 光功率监控等更高集成度的器件订制
产品应用:
● 数据中心互联,高速光业务放大
产品规格
典型特性
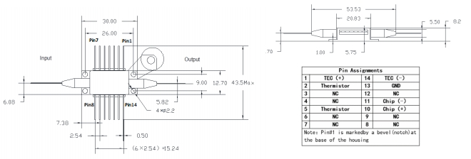
结构尺寸和管脚定义
订货信息

本产品为FT-XS系列,仅展示部分参数,如有需要,请联系我们。
Important Notice
Performance figures, data and any illustrative material provided in this data sheet are typical and must be specifically confirmed in writing by F-tone Networks before they become applicable to any particular order or contract. In accordance with the F-tone Networks policy of continuous improvement specifications may change without notice.
The publication of information in this data sheet does not imply freedom from patent or other protective rights of F-tone Networks or others. Further details are available from any F-tone Networks sales representative.