
FT-49-GD45232R 型高速 InGaAs 光电探测器
产品描述
FT-49-GD45232R 型高速 InGaAs 光电探测器使用单片集成 PD 芯片,采用 FC/APC 光纤输入、1.85mm 射频接口输出、气密封装结构。产品可在仪器设备中进行超快脉冲测量应用。
主要性能指标(TC=22± 3℃)
绝对最大额定值
推荐工作状态
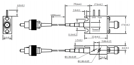
封装外形、尺寸及引脚定义(单位:mm)

注:本产品有全国产化型号可选
本产品为FT-49系列,仅展示部分参数,如有需要,请联系我们。
Important Notice
Performance figures, data and any illustrative material provided in this data sheet are typical and must be specifically confirmed in writing by F-tone Networks before they become applicable to any particular order or contract. In accordance with the F-tone Networks policy of continuous improvement specifications may change without notice.
The publication of information in this data sheet does not imply freedom from patent or other protective rights of F-tone Networks or others. Further details are available from any F-tone Networks sales representative.