Description
单模机械式光衰减器
特性
● 功率稳定
● 高动态范围
● 可远程监控
应用
● 光纤传感
● 光纤通信
● 光纤器件测试
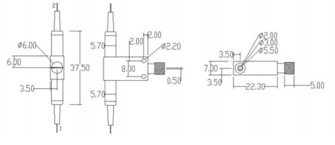
尺寸:
订购信息:
Important Notice
Performance figures, data and any illustrative material provided in this data sheet are typical and must be specifically confirmed in writing by F-tone Networks before they become applicable to any particular order or contract. In accordance with the F-tone Networks policy of continuous improvement specifications may change without notice.
The publication of information in this data sheet does not imply freedom from patent or other protective rights of F-tone Networks or others. Further details are available from any F-tone Networks sales representative.