
DIN型单模双纤双向表贴型光收发一体模块
描述
FTDI-xx24/42-xx型双纤双向表贴型光收发模块将发送和接收部分封装在一个小尺寸金属壳体内,增强了模块抗电磁干扰能力。光发射部分采用大功率LD,发送信号引脚(TD+和TD-)接口电平标准为CML。
光接收部分包括PIN、前置跨阻放大器和限幅放大器,接收信号引脚(RD+和RD-)接口电平标准为CML。接收信号检测引脚(SD)接口电平为标准LVTTL。通过发射使能引脚(TDIS)可使模块进入节电模式。
模块经过严格的军品级筛选及环境试验,保证了模块的可靠性和环境适应性,具有抗振动、抗电磁干扰、耐湿热、温度适应性强等特点,广泛适用于机载、舰载、高海拔等环境。
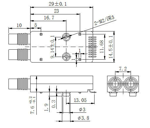
模块体积小,重量轻,全金属结构,高度仅8mm,易于安装在空间狭小的插板或机箱内。
特性描述
● 更紧凑的结构设计——模块高度仅8mm
● 适应于高速信号完整性的表贴I/O引脚
● 全金属外壳
● 军品级温度范围,采用抗振动设计
● 具备接收数据信号检测功能
● 3.3 V单电源供电
● 光口形式为DIN式
应用
● 各种数字光通信系统
● 千兆位以太网
● 光纤通道
● SONET/SDH
● 交换机
外形尺寸图

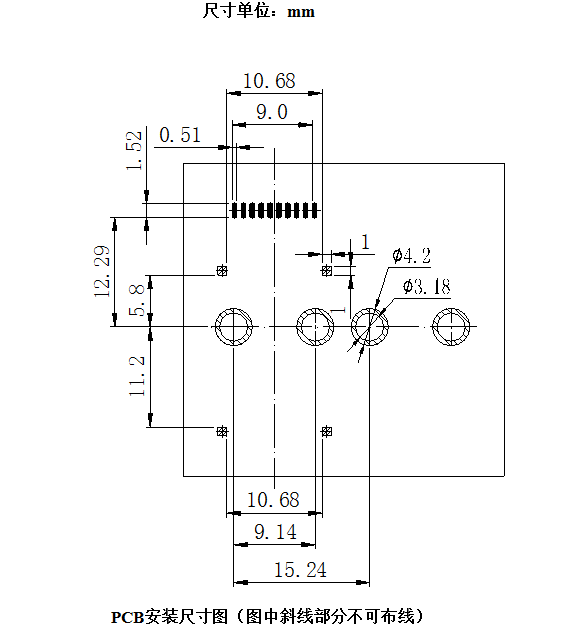
模块安装示意图(顶视图)

模块安装示意图

定购信息
|
2.5G光纤模块系列 |
|
|
FTDI-1324-02 |
双纤双向表贴型-LC-1310nm-(≥2km)-2.5Gbps-商业级 |
|
FTDI-1324-02I |
双纤双向表贴型-LC-1310nm-(≥2km)-2.5Gbps-工业级 |
|
FTDI-1324-02M |
双纤双向表贴型-LC-1310nm-(≥2km)-2.5Gbps-军品级 |
|
|
|
|
FTDI-1324-10 |
双纤双向表贴型-LC-1310nm-(≥10km)-2.5Gbps-商业级 |
|
FTDI-1324-10I |
双纤双向表贴型-LC-1310nm-(≥10km)-2.5Gbps-工业级 |
|
FTDI-1324-10M |
双纤双向表贴型-LC-1310nm-(≥10km)-2.5Gbps-军品级 |
|
|
|
|
FTDI-1324-20 |
双纤双向表贴型-LC-1310nm-(≥20km)-2.5Gbps-商业级 |
|
FTDI-1324-20I |
双纤双向表贴型-LC-1310nm-(≥20km)-2.5Gbps-工业级 |
|
FTDI-1324-20M |
双纤双向表贴型-LC-1310nm-(≥20km)-2.5Gbps-军品级 |
|
|
|
|
FTDI-1524-02 |
双纤双向表贴型-LC-1550nm-(≥2km)-2.5Gbps-商业级 |
|
FTDI-1524-02I |
双纤双向表贴型-LC-1550nm-(≥2km)-2.5Gbps-工业级 |
|
FTDI-1524-02M |
双纤双向表贴型-LC-1550nm-(≥2km)-2.5Gbps-军品级 |
|
|
|
|
FTDI-1524-10 |
双纤双向表贴型-LC-1550nm-(≥10km)-2.5Gbps-商业级 |
|
FTDI-1524-10I |
双纤双向表贴型-LC-1550nm-(≥10km)-2.5Gbps-工业级 |
|
FTDI-1524-10M |
双纤双向表贴型-LC-1550nm-(≥10km)-2.5Gbps-军品级 |
|
|
|
|
FTDI-1524-20 |
双纤双向表贴型-LC-1550nm-(≥20km)-2.5Gbps-商业级 |
|
FTDI-1524-20I |
双纤双向表贴型-LC-1550nm-(≥20km)-2.5Gbps-工业级 |
|
FTDI-1524-20M |
双纤双向表贴型-LC-1550nm-(≥20km)-2.5Gbps-军品级 |
|
|
|
|
FTDI-1342-02 |
双纤双向表贴型-LC-1310nm-(≥2km)-4.25Gbps-商业级 |
|
FTDI-1342-02I |
双纤双向表贴型-LC-1310nm-(≥2km)-4.25Gbps-工业级 |
|
FTDI-1342-02M |
双纤双向表贴型-LC-1310nm-(≥2km)-4.25Gbps-军品级 |
|
4.25G光纤模块系列 |
|
|
FTDI-1342-10 |
双纤双向表贴型-LC-1310nm-(≥10km)-4.25Gbps-商业级 |
|
FTDI-1342-10I |
双纤双向表贴型-LC-1310nm-(≥10km)-4.25Gbps-工业级 |
|
FTDI-1342-10M |
双纤双向表贴型-LC-1310nm-(≥10km)-4.25Gbps-军品级 |
|
|
|
|
FTDI-1342-20 |
双纤双向表贴型-LC-1310nm-(≥20km)-4.25Gbps-商业级 |
|
FTDI-1342-20I |
双纤双向表贴型-LC-1310nm-(≥20km)-4.25Gbps-工业级 |
|
FTDI-1342-20M |
双纤双向表贴型-LC-1310nm-(≥20km)-4.25Gbps-军品级 |
|
|
|
|
FTDI-1542-02 |
双纤双向表贴型-LC-1550nm-(≥2km)-4.25Gbps-商业级 |
|
FTDI-1542-02I |
双纤双向表贴型-LC-1550nm-(≥2km)-4.25Gbps-工业级 |
|
FTDI-1542-02M |
双纤双向表贴型-LC-1550nm-(≥2km)-4.25Gbps-军品级 |
|
|
|
|
FTDI-1542-10 |
双纤双向表贴型-LC-1550nm-(≥10km)-4.25Gbps-商业级 |
|
FTDI-1542-10I |
双纤双向表贴型-LC-1550nm-(≥10km)-4.25Gbps-工业级 |
|
FTDI-1542-10M |
双纤双向表贴型-LC-1550nm-(≥10km)-4.25Gbps-军品级 |
|
|
|
|
FTDI-1542-20 |
双纤双向表贴型-LC-1550nm-(≥20km)-4.25Gbps-商业级 |
|
FTDI-1542-20I |
双纤双向表贴型-LC-1550nm-(≥20km)-4.25Gbps-工业级 |
|
FTDI-1542-20M |
双纤双向表贴型-LC-1550nm-(≥20km)-4.25Gbps-军品级 |
|
|
|
注明: 另有多种CWDM波长可供选择; 也可以选择尾纤+接头
注:本产品有全国产化型号可选
本产品为FTDI系列光模块,仅展示部分参数,如有需要,请联系我们。
Important Notice
Performance figures, data and any illustrative material provided in this data sheet are typical and must be specifically confirmed in writing by F-tone Networks before they become applicable to any particular order or contract. In accordance with the F-tone Networks policy of continuous improvement specifications may change without notice.
The publication of information in this data sheet does not imply freedom from patent or other protective rights of F-tone Networks or others. Further details are available from any F-tone Networks sales representative.