
兼容安华高HFBR-2416MZ(北亿纤通FTBR-2416MZ)
产品介绍
FTBR-1413xx/2416xx系列光纤收发器件,配合850nm多模光纤使用,为工业、发电、医疗、交通和游戏应用等领域提供高性能低成本的光纤通信链路,FTBR-1413xx在6mA电流驱动下,使用62.5/125μm芯径的多模光纤线,传输距离极值最小为600米。
FTBR-1413xx/2412xx支持工业标准的ST光纤接口,提供带螺纹接口或者金属接口可选。FTBR-1413xx/2412xx适配多种类光纤芯径的多模光纤,包括50/125μm,62.5/125μm,100/140μm和200μm.
FTBR-1413xx为发射器,由一颗峰值波长为850nm的vcsel芯片封装而成,配合62.5/125μm芯径的多模光纤在6mA电流驱动下输出光功率典型值为-9dBm。FTBR-2416xx为接收器,由高响应度光电二极管和高增益跨阻放大器构成,输出为模拟信号,方便后级电路将其转化成满足各种接口的逻辑信号,速率最高可达155MBd。
产品特点
►数据传输速率:DC-155MBd
►满足工业级温度范围:-40℃至 85℃
►符合 RoHS 标准
►适配多种芯径光纤
►ST接头带螺纹或金属接口可选
产品应用
►工厂自动化
►局域网络
►音视频应用/游戏应用
►工业网络和现场总线
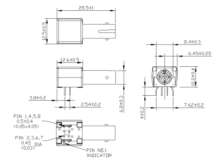
金属ST接口外形尺寸图(FTBR-1413MZ/2416MZ)
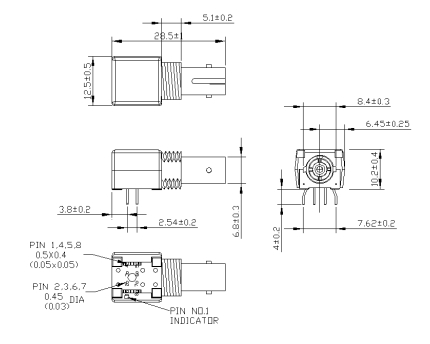
带螺纹的ST接口外形尺寸图(FTBR-1413TZ/2416TZ)
产品型号列表
|
产品型号 |
说明 |
|
FTBR-1413TZ |
发射器件,带螺纹的ST接口 |
|
FTBR-2416TZ |
接收器件,带螺纹的ST接口 |
|
FTBR-1413MZ |
发射器件,金属ST接口 |
|
FTBR-2416MZ |
接收器件,金属ST接口 |
注:本产品有全国产化型号可选
本产品为FTBR系列,仅展示部分参数,如有需要,请联系我们。
Important Notice
Performance figures, data and any illustrative material provided in this data sheet are typical and must be specifically confirmed in writing by F-tone Networks before they become applicable to any particular order or contract. In accordance with the F-tone Networks policy of continuous improvement specifications may change without notice.
The publication of information in this data sheet does not imply freedom from patent or other protective rights of F-tone Networks or others. Further details are available from any F-tone Networks sales representative.