
产品介绍
FTBR-1528Z/2528Z系列光纤收发器件,配合650nm塑料光纤使用,为工业、发电、医疗、交通和游戏应用等领域提供高性能低成本的光纤通信链路,FTBR-1528Z在60mA电流驱动下,传输距离最小为70米。
FTBR-1528Z/2528Z与AVAGO的HFBR-1528Z/2528Z系列产品完全兼容,支持工业标准的塑料光纤接口,提供水平结构。FTBR-1528Z/2528Z适配直径1mm的塑料光纤和直径200μm的HCS光纤.
FTBR-1528Z为发射器,由一颗峰值波长为650nm的高功率LED芯片封装而成,配合1mm芯径的塑料光纤在60mA电流驱动下输出光功率典型值为-4dBm。FTBR-2528Z为接收器,由一颗集成光电二极管的高增益跨阻放大器构成,输出级为轨到轨结构,最终输出TTL电平。为了提高接收器输出脉宽的稳定性,接收芯片设计了自动脉宽校准电路,脉宽失真在±20ns以内。
产品特点
● 数据传输速率:DC-10MBd
● 传输距离最小值:70米
● 输出波形脉宽稳定
● 满足工业级温度范围:-40℃至 85℃
● 符合 RoHS 标准
● 适配多种光纤
产品应用
● 工厂自动化
● 局域网络
● 音视频应用/游戏应用
● 工业网络和现场总线
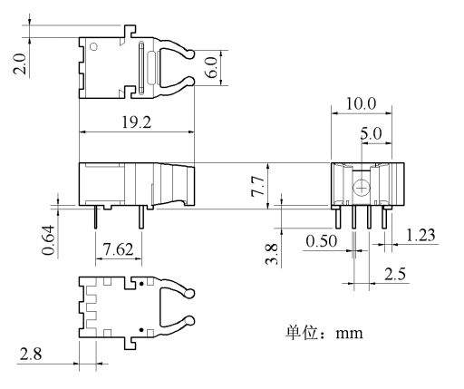
外形尺寸图(FTBR-1528Z/2528Z)

产品型号列表
|
产品型号 |
说明 |
|
FTBR-1528Z |
发射器件 |
|
FTBR-2528Z |
接收器件 |
本产品为FTBR系列,仅展示部分参数,如有需要,请联系我们。
Important Notice
Performance figures, data and any illustrative material provided in this data sheet are typical and must be specifically confirmed in writing by F-tone Networks before they become applicable to any particular order or contract. In accordance with the F-tone Networks policy of continuous improvement specifications may change without notice.
The publication of information in this data sheet does not imply freedom from patent or other protective rights of F-tone Networks or others. Further details are available from any F-tone Networks sales representative.