
兼容安华高HFBR-1312TZ(北亿纤通FTBR-1312TZ)
产品概述
FTBR-1312TZ光纤接收器,配合62.5/125Hm多模光纤使用,为工业、发电、医疗、交通和游戏应用等领域提供高性能低成本的光纤通信链路,配2316接收器件,传输距离最小为5千米。
FTBR-1312TZ支持工业标准的ST光纤接口,提供带螺纹可选。适配多种类光纤芯径的多模光纤,包括50/125μm,62.5/125μm.
FTBR-1312TZ为发射器,由一颗峰值波长为1300nm 的高功率LED芯片封装而成,配合62.5/125μm芯径的850nm多模光纤在25mA电流驱动下输出光功率典型值为-10dBm,工作波长1300nm。
产品特点
● 数据传输速率:155MBd
● 传输距离最小值:5千米
●符合 RoHS 标准
● 适配多种芯径光纤
● ST接头带螺纹可选
● 满足工业级温度范围:-40℃至 85℃
应用
● 高速度局域网
● 局域网络
● 电信交换机系统
ST接口外形尺寸图(FTBR-1312Z)

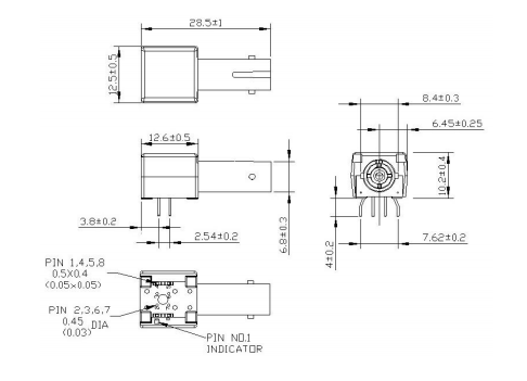
螺纹的ST接口外形尺寸图(FTBR-1312TZ)

产品型号列表

本产品为FTBR系列,仅展示部分参数,如有需要,请联系我们。
Important Notice
Performance figures, data and any illustrative material provided in this data sheet are typical and must be specifically confirmed in writing by F-tone Networks before they become applicable to any particular order or contract. In accordance with the F-tone Networks policy of continuous improvement specifications may change without notice.
The publication of information in this data sheet does not imply freedom from patent or other protective rights of F-tone Networks or others. Further details are available from any F-tone Networks sales representative.