
兼容安华高HCPL-5531
产品描述
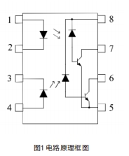
FCPL-5531 型光电耦合器是由两个红外发光二极管和两个光敏芯片组成的双通道光电耦合器,有陶瓷/塑封可选,有商业级/工业级/军品级可选。
产品特点
● 传输速度:最大值1MBd
● 集电极开路输出
● 兼容国外产品:HCPL-5531
产品应用
● 数字信号隔离与传输
● 开关电源
● 微机系统接口
● 数模和模数(A/D、D/A)转换
● 高速逻辑电路的系统隔离
● 共地干扰扰的隔离
● 多路数据传输
● 替代脉冲变压器
电路原理框图




注意事项
1.试验设备和器具应接地,不能直接触摸器件引线;
2.器件应在防静电的工作台上操作;
3.器件应存放在防静电容器中(如:集成电路专用盒);
4.生产、测试、使用以及转运过程中应避免使用引起静电的塑料、橡胶或丝织物;
5.相对湿度尽可能保持在50%以下;
6.取用时避免用力过猛或用力不均造成的器件损坏。
注:本产品为全国产
Important Notice
Performance figures, data and any illustrative material provided in this data sheet are typical and must be specifically confirmed in writing by F-tone Networks before they become applicable to any particular order or contract. In accordance with the F-tone Networks policy of continuous improvement specifications may change without notice.
The publication of information in this data sheet does not imply freedom from patent or other protective rights of F-tone Networks or others. Further details are available from any F-tone Networks sales representative.