
产品概述
FTBR-2316Z光纤接收器,配合62.5/125Hm多模光纤使用,为工业、发电、医疗、交通和游戏应用等领域提供高性能低成本的光纤通信链路,配1312发射器件,传输距离最小为5千米。
FTBR-2316Z支持工业标准的ST光纤接口,提供带螺纹可选。适配多种类光纤芯径的多模光纤,包括50 /125μm,62.5/125μm.
FTBR-2316Z接收器包含一个InGaAs PIN光电二极管和一个低噪声跨阻抗前置放大器,工作波长1300 nm。
产品特点
●数据传输速率:155MBd
● 传输距离最小值:5千米
● 符合 RoHS 标准
●适配多种芯径光纤
● ST接头带螺纹可选
●满足工业级温度范围:-40℃至85℃
应用
● 高速度局域网
● 局域网络
● 电信交换机系统
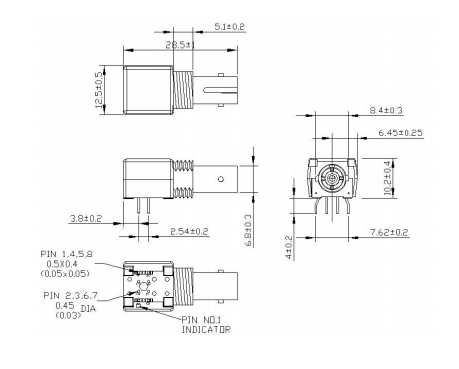
ST接口外形尺寸图(FTBR-2316Z) 单位:mm
带螺纹的ST接口外形尺寸图(FTBR-2316TZ) 单位:mm
产品型号列表

本产品为FTBR系列,仅展示部分参数,如有需要,请联系我们。
Important Notice
Performance figures, data and any illustrative material provided in this data sheet are typical and must be specifically confirmed in writing by F-tone Networks before they become applicable to any particular order or contract. In accordance with the F-tone Networks policy of continuous improvement specifications may change without notice.
The publication of information in this data sheet does not imply freedom from patent or other protective rights of F-tone Networks or others. Further details are available from any F-tone Networks sales representative.