
北亿纤通专业研发生产8CH CCWDM,8CH Compact CWDM,4通道小型化波分复用器,4通道紧凑型波分复用器,工业级8CH CCWDM,工业级8CH CCWDM,工业级8CH Compact CWDM,工业级4通道小型化波分复用器,工业级4通道紧凑型波分复用器...等等全系列8CH CCWDM Compact CWDM小型化/紧凑型波分复用器。是一个专业的8CH CCWDM厂家,有很好的8CH CCWDM价格。
|
Free Space CCWDM--8 channels
Features: |

Parameters:
|
Description |
Unit |
Min |
Typical |
Max. |
|
|
Optional channel loss |
dB |
1.0 |
1.5 |
||
|
Pass band width |
nm |
13 |
15 |
||
|
Flatness |
dB |
0.3 |
0.5 |
||
|
Adjacent channel isolation |
dB |
30 |
35 |
||
|
Non adjacent channel isolation |
dB |
40 |
45 |
||
|
Directivity |
dB |
50 |
|||
|
PDL |
dB |
0.2 |
|||
|
PMD |
ps |
0.2 |
|||
|
Max. power |
mw |
300 |
|||
|
Pass channel insertion loss |
Grade P |
dB |
1.0 |
1.5 |
|
|
Grade A |
1.5 |
2.2 |
|||
|
Channel wavelength |
nm |
1471 1491 1511 1531 1551 1571 1591 1611or others on request |
|||
|
Operating temperature |
°C |
0 ~+70 |
|||
|
Storage temperature |
°C |
-40 ~+85 |
|||
|
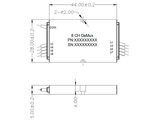
Package |
mm |
44(L)X28(W)X6(H) |
|||
Paging Dimensions :

Order Information:
|
CCWDM8- |
XXXX- |
X- |
X- |
XX- |
X- |
X |
|
Wavelength |
Grade |
Pigtail Type |
Length |
connector |
package |
|
|
1471 1491 1611 |
P A |
0=bare fiber 1=900um loose tube 2=2mm cable 3=3mm cable |
05=0.5m 10=1.0m 15=1.5m |
0=none 1=FC/PC 2=FC/APC 3=SC/PC 4=SC/APC 5=LC 6=Others |
0=Standard 1=Special |
|