
Applications
● OCT
● Fiber Instrument
Features
● Low Insertion Loss & High Isolation
● High Reliability and High Extinction Ratio
|
Parameter |
Non-PM Isolator |
PM Fiber Isolator |
|
|
Center wavelength (nm) |
850 |
850 |
|
|
Bandwidth (nm) |
±10 |
±10 |
|
|
Peak isolation (dB) |
30~40 |
30~40 |
|
|
Isolation at 23℃(dB) |
≥ 25 |
≥ 25 |
|
|
Insertion Loss @23℃ (dB) |
≤1.0(typ.0.8) |
≤1.0(typ.0.8) |
|
|
Max PDL(dB) |
≤0.15 |
-- |
|
|
Extinction Ratio at 23℃ (dB) |
B=Both axis working |
-- |
≥18 |
|
F=Fast axis blocked |
-- |
≥ 20 |
|
|
Return loss (Input/output) (dB) |
≥50/50 |
||
|
Power handling CW (W) |
500mW,1-10W |
||
|
Fiber Type |
HI780 fiber |
SM85-PS-U25A |
|
|
Operating temperature (℃) |
-5~ +50 |
||
|
Storage temperature (℃) |
-20 ~ +85 |
||
|
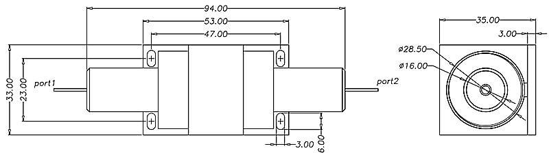
Package Dimension (mm) |
94*33*35 |
||
1.For device with connector, the IL will be 0.3dB higher ,ER will be 2dB lower and RL will be 5dB lower ;
Package dimension:
Ordering Information:
|
HPIIS HPMIS |
Wavelength |
Type |
Power |
Fiber Type |
Pigtail Type |
Length |
Connector |
|
HPIIS HPMIS
|
0850=850nm
|
B=Both axis working F= Fast axis blocked |
0=500mW 1=1W 2=2W 3=3W 5=5W A=10W
|
1=PM850 Fiber 3= HI780 fiber
|
1=250um bare fiber 2=900um loose tube 3=3mm loose tube
|
H=0.5m 8= 0.8m 1=1.0m S=Specify
|
0=None 1=FC/UPC 2=FC/APC 3=SC/APC 4=SC/UPC 6=LC/UPC |
Important Notice
Performance figures, data and any illustrative material provided in this data sheet are typical and must be specifically confirmed in writing by F-tone Networks before they become applicable to any particular order or contract. In accordance with the F-tone Networks policy of continuous improvement specifications may change without notice.
The publication of information in this data sheet does not imply freedom from patent or other protective rights of F-tone Networks or others. Further details are available from any F-tone Networks sales representative.