
3.125Gbps 1X12 MiniSFF 单光纤双接收模块
产品特性
● 3.3V供电
● 支持SMPTE424M/292M/297M/259M
● 工作中心波长1310nm、1550nm,单模光纤
● 最大传输距离10km
● ST单光接口
● 12Pin针排结构电接口
● 每通道50M~3.125Gbps的传输速率,支持3G-SDI病态码传输
● 宽工作温度范围
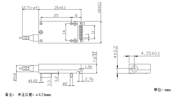
● 结构尺寸35mm×18mm×7.8mm
产品尺寸
订购须知
|
产品型号 |
接口 |
速率 (Gb/s) |
距离 (Km) |
RX1波长 (nm) |
RX2波长 (nm) |
电压 (V) |
接收灵敏度 (dBm) |
工作温度 (℃) |
|
FTMF-BR131531-10DI |
ST |
3.125 |
10 |
1310 |
1550 |
3.3 |
-18 |
-40~85 |
注:本产品有全国产化型号可选
本产品为FTMF系列,仅展示部分参数,如有需要,请联系我们。
Important Notice
Performance figures, data and any illustrative material provided in this data sheet are typical and must be specifically confirmed in writing by F-tone Networks before they become applicable to any particular order or contract. In accordance with the F-tone Networks policy of continuous improvement specifications may change without notice.
The publication of information in this data sheet does not imply freedom from patent or other protective rights of F-tone Networks or others. Further details are available from any F-tone Networks sales representative.