
2.5Gbps Dual Optical SM Receiver
FEATURES
● All metal body, screw mount options
● Distance up to 20 km
● 1×9 Package with ST connector
● +3.3 V Power Supply
● Operating case temperature: -40℃~+85℃
APPLICATIONS
● Fibre Channel Links
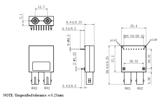
Mechanical Dimensions
Order Information
|
P/No. |
Package |
Bit Rate (Gb/s) |
Dist. (km) |
Wavelength (nm) |
Volt. (V) |
2 RX Sens (dBm) |
Temp. (℃) |
|
FTTR-2RCxx24-20I-DZ01 |
ST |
2.5 |
20 |
1260~1620 |
3.3 |
-20 |
-40~85 |
|
FTTR-2RC5524-20I-DZ01 |
ST |
2.5 |
20 |
CWDM1550 |
3.3 |
-20 |
-40~85 |
注:本产品有全国产化型号可选
本产品为光模块1x9系列,仅展示部分参数,如有需要,请联系我们。
Important Notice
Performance figures, data and any illustrative material provided in this data sheet are typical and must be specifically confirmed in writing by F-tone Networks before they become applicable to any particular order or contract. In accordance with the F-tone Networks policy of continuous improvement specifications may change without notice.
The publication of information in this data sheet does not imply freedom from patent or other protective rights of F-tone Networks or others. Further details are available from any F-tone Networks sales representative.