
FT-49-GD45226Q 型 1GHz 平衡光电探测接收模块
产品描述
FT-49-GD45226Q 是一款高速高灵敏度平衡探测光电接收模块,其采用单片集成 InGaAs 平衡探测器并与低噪声跨阻抗放大器混合集成,适用于多种数字信号应用。具有自动失调、增益和带宽控制功能,可以获得稳定的带宽和输出摆幅。自动增益控制具有可关断功能,关断后增益为最小增益 400V/W。
产品特点
● InGaAs PD 芯片单片集成
● 内部集成跨阻抗放大电路
● 自动增益、带宽控制
● 支持 0.1~1Gbps 速率 AC 差分输出
● 气密性封装,SSMA 连接器输出
应用
● DPSK/ DQPSK 光通信系统
● 多普勒激光雷达测量
● 相干光系统
● 高速测试测量
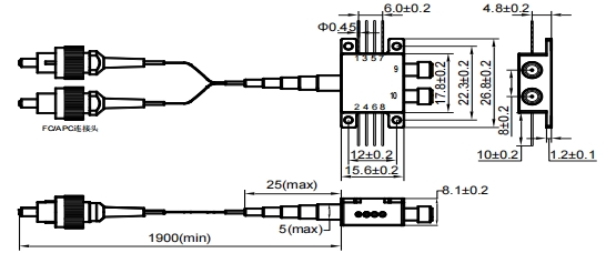
封装外形、尺寸及引脚定义(单位:mm)
注:本产品有全国产化型号可选
本产品为FT-49系列,仅展示部分参数,如有需要,请联系我们。
Important Notice
Performance figures, data and any illustrative material provided in this data sheet are typical and must be specifically confirmed in writing by F-tone Networks before they become applicable to any particular order or contract. In accordance with the F-tone Networks policy of continuous improvement specifications may change without notice.
The publication of information in this data sheet does not imply freedom from patent or other protective rights of F-tone Networks or others. Further details are available from any F-tone Networks sales representative.