
18GHz小体积光收模块
特点
● 超小体积:30mm8.4mm7mm(长宽厚)
● 低功耗
● 工作频率宽,最高可达 18GHz
● 平坦的频率响应
● 单电压+5V 供电
● 具有光收功率监控功能
● 集成宽带低噪声放大器(LNA)(可选)
● 优良的 EMI/EMC 设计SFP+CAGE 1X4 WITH HEAT SINK &LIGHT PIPE(2)
应用
● 5G/4G/3G/WiMAX 等天线拉远
● 卫星通信
● 北斗/GPS 信号传输
● 保密通信
● 光纤延迟线
● 分布式天线系统
● 宽带无线通信
● OFDM 光纤传输系统
绝对最大额定值
|
参数 |
符号 |
测试环境 |
最小值 |
最大值 |
单位 |
|
工作温度范围 |
Topr |
壳温 |
-40 |
+70 |
°C |
|
储存温度范围 |
Tstg |
-55 |
+85 |
°C |
|
|
直流工作电压 |
Vd |
+5V 脚 |
+4.7 |
+5.5 |
V |
|
输入光功率 |
Ps |
CW |
-- |
10 |
mW |
|
模块工作相对湿度 |
Hr |
-- |
95 |
% |
|
|
模块工作气压 |
Pr |
86 |
106 |
kPa |
|
|
静电等级 ESD |
人体模型 |
Class 1A |
注意:超过最大(最小)值,将会有可能造成光模块永久损坏或缩短模块使用寿命和模块不能质保。
典型指标
|
参数 |
测试条件 |
最小值 |
典型值 |
最大值 |
单位 |
|
|
工作频率范围 |
RSM |
0.1~3 |
GHz |
|||
|
RUM |
0.1~18 |
|||||
|
工作波长 |
全系列 |
910~1650 |
nm |
|||
|
增益(1) |
RSM |
Tx 不带放大器, Rx 带放大器 |
-- |
-8 |
-- |
dB |
|
Tx 不带放大器, Rx 不带放大器 |
-- |
-20 |
-- |
|||
|
RUM |
Tx 不带放大器, Rx 带放大器 |
-- |
-8 |
-- |
||
|
Tx 不带放大器, Rx 不带放大器 |
-- |
-26 |
-- |
|||
|
带内平坦度(1)(2) |
RSM |
100M~3GHz |
-- |
±1.5 |
-- |
dB |
|
RUM |
100M~18GHz |
-- |
±2.0 |
-- |
||
|
最大输入光功率 |
+25℃ |
-- |
-- |
10 |
dBm |
|
|
光回损 |
光口输入 |
-- |
35 |
-- |
dB |
|
|
PD 响应度 |
1310nm ,25°C |
-- |
0.8 |
-- |
mA/mW |
|
|
1550nm ,25°C |
-- |
0.8 |
-- |
|||
|
射频回波损耗 |
RSM |
100MHz ~ 3GHz |
-- |
-10 |
-- |
dB |
|
RUM |
100MHz ~ 18GHz |
-- |
-10 |
-- |
||
|
输出 P-1dB |
RUM 带放大器 |
-- |
11 |
-- |
dBm |
|
|
工作电流 |
带放大器 |
-- |
50 |
-- |
mA |
|
|
不带放大器 |
-- |
7 |
-- |
|||
|
工作电压 |
RSM/RUM |
+4.8 |
+5 |
+5.2 |
VDC |
|
说明: (1)测试时使用北亿纤通 F T -79系列_带温控全集成模拟光发模块,如下图,且光纤差损约为 0dB; (2)带内平坦度 包含了光发模块和光收模块的贡献。
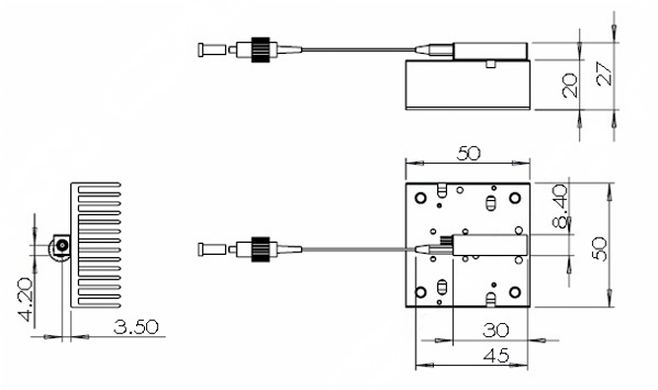
机械结构 (单位: mm)
散热齿尺寸图
模块尺寸图
说明:为了保证模块的良好散热,推荐客户使用如上散热齿配套使用。
订购须知
|
FT-79-OM |
-RxM |
xxx |
N |
x |
- |
O |
W |
xx |
|
FT-79-OM:光模 块 |
工作频率范围: |
接收波长: |
光纤接头类型(1): |
工作温度范围(2) |
是否带放大器: |
|||
|
RSM :0.1~3GHz |
000: |
F:FC/APC 单模光钎 |
W: -40 to 70℃ |
00:不带放大 |
||||
|
RUM :0.1~18GHz |
910nm~1650nm |
01:带放大 |
说明
(1)其他类型光纤接头类型可定制;
(2)其他温度范围需要定制。
北亿纤通 | F-tone Networks
企业邮箱:sales@f-tone.com
企业网站:www.f-tone.com
企业网站:www.sfpgmk.com
企业电话:028-85255257
企业传真:028-85977702
注:本产品有全国产化型号可选
Important Notice
Performance figures, data and any illustrative material provided in this data sheet are typical and must be specifically confirmed in writing by F-tone Networks before they become applicable to any particular order or contract. In accordance with the F-tone Networks policy of continuous improvement specifications may change without notice.
The publication of information in this data sheet does not imply freedom from patent or other protective rights of F-tone Networks or others. Further details are available from any F-tone Networks sales representative.