
1550nm 高功率蝶形 SOA
北亿纤通的半导体光放大器(SOA)系列产品,主要应用于1550nm波长的光放大,能显著提高输出光功率。该系列产品采用密封的无机蝶形器件封装技术。
产品特性:
● 具有高增益、低功耗、低偏振相关损耗、高输出光功率(20dBm)、高消光比等特点
● ASE 功率高达 40mW,适用于宽谱光源
● 支持温度监测和 TEC热电控制,确保全温度工作范围稳定运行
产品应用:
● 应用于分布式光纤传感系统中,替代声光调制器产生脉冲光。
● 应用于 1550nm 固态激光雷达或调频连续波激光雷达中,与窄线宽激光机结合产生脉冲光。
● 应用于宽谱光源中,如光纤光栅的解调仪的宽谱光源
● 应用于光通信系统中,实现 1550波长光信号放大
产品规格
典型特性
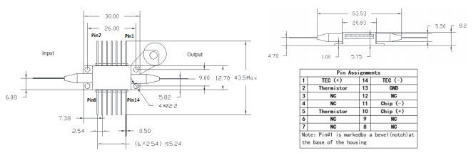
结构尺寸和管脚定义
订货信息

本产品为FT-XS系列,仅展示部分参数,如有需要,请联系我们。
Important Notice
Performance figures, data and any illustrative material provided in this data sheet are typical and must be specifically confirmed in writing by F-tone Networks before they become applicable to any particular order or contract. In accordance with the F-tone Networks policy of continuous improvement specifications may change without notice.
The publication of information in this data sheet does not imply freedom from patent or other protective rights of F-tone Networks or others. Further details are available from any F-tone Networks sales representative.