
产品描述
半导体光放大器(SOA)系列产品,主要应用于 40G/100G 1310nm (4波LWDM/CWDM)光放大,能显著提高输出光功率。该系列产品基于清华大学光电集成微系统研究所的标准封装平台,采用密封的无机封装技术,保证了产品的可靠性。
产品特点
● 自有 SOA 芯片,国产自主可控
● 低功耗,典型驱动电流 120mA
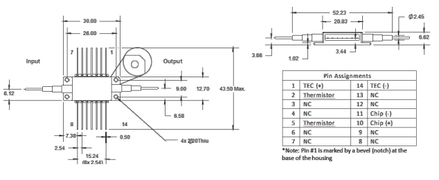
● 提供 MSA 兼容的 14PIN 标准蝶形封装
● 支持温度监测和 TEC 热电控制,确保全温度工作范围稳定运行
● 定制化服务:优化参数、集成 PD 光功率监控
产品应用
● 数据中心互联,高速业务信号放大
● 汇聚分流,高速业务信号放大
产品规格
|
参数 |
符号 |
工作条件 |
最小值 |
典型值 |
最大值 |
单位 |
|
工作波长 |
λ |
--- |
1260 |
1310 |
1340 |
nm |
|
宽带 |
△λ |
@-3dB |
--- |
45 |
--- |
nm |
|
增益 |
G |
--- |
13 |
--- |
20 |
dB |
|
饱和功率 |
Psat |
If=120mA |
10 |
--- |
--- |
dBm |
|
工作电流 |
If |
--- |
--- |
120 |
300 |
mA |
|
正向电压 |
Vf |
--- |
--- |
--- |
1.8 |
V |
|
TEC电流 |
ITEC |
--- |
--- |
--- |
1.8 |
A |
结构尺寸和管脚定义
注:本产品有全国产化型号可选
本产品为FT-45系列,如有需要,请联系我们。
Important Notice
Performance figures, data and any illustrative material provided in this data sheet are typical and must be specifically confirmed in writing by F-tone Networks before they become applicable to any particular order or contract. In accordance with the F-tone Networks policy of continuous improvement specifications may change without notice.
The publication of information in this data sheet does not imply freedom from patent or other protective rights of F-tone Networks or others. Further details are available from any F-tone Networks sales representative.