
1310nm 蝶形 SOA
北亿纤通的半导体光放大器(SOA)系列产品,主要应用于主要应用于40G/100G 1310nm(4波LWDM/CWDM)光放大。该系列产品采用密封的无机封装技术,保证了产品的可靠性。
产品特性:
● 全工艺国产,自主可控
● 低功耗,典型驱动电流 120mA,满足高速 ROSA 低功耗需求
● 支持温度监测和 TEC 热电控制,全温度工作范围稳定运行
● 定制化服务:可支持保偏、集成隔离器、集成 PD 光功率监控等更高集成度的器件订制
产品应用:
● 数据中心互联,40G/100G 光信号放大
● 汇聚分流,40G/100G光信号放大
产品规格
典型特性
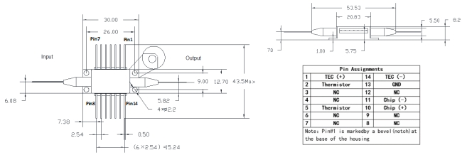
结构尺寸和管脚定义
订货信息

本产品为FT-XS系列,仅展示部分参数,如有需要,请联系我们。
Important Notice
Performance figures, data and any illustrative material provided in this data sheet are typical and must be specifically confirmed in writing by F-tone Networks before they become applicable to any particular order or contract. In accordance with the F-tone Networks policy of continuous improvement specifications may change without notice.
The publication of information in this data sheet does not imply freedom from patent or other protective rights of F-tone Networks or others. Further details are available from any F-tone Networks sales representative.